返回
隔爆换向阀
首页
>
了解产品
>
液压元件 液压阀
>
方向控制阀
>
隔爆换向阀
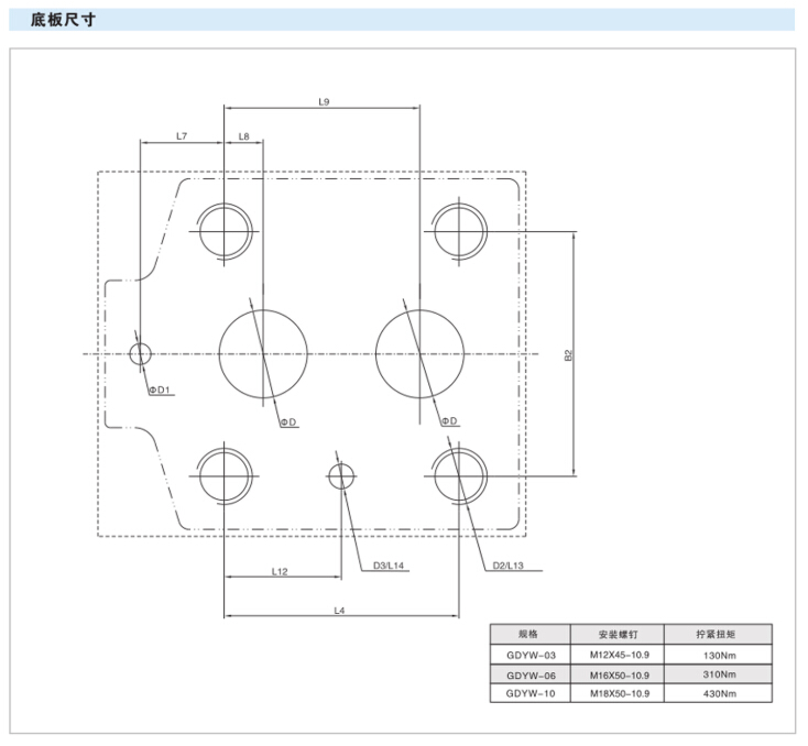
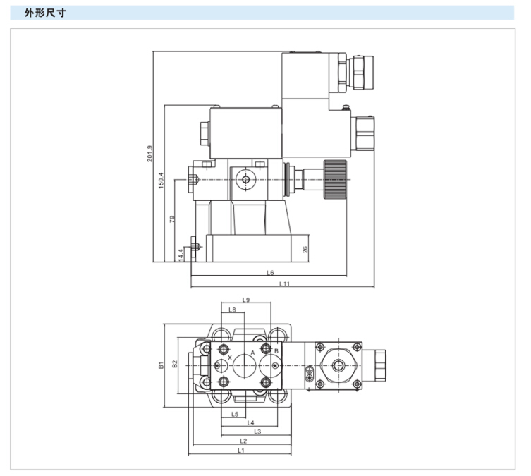
GDYWC-06G2-5,GDYWC-06G2-10,GDYWC-06G2-20,GDYWC-06G2-31.5,GDYWC-06G2-35,GDYWC-06G2-35A-1/D24A/53 隔爆电磁溢流阀
2020-07-23 15:56
753
信息概况
价格:
未填
品牌:
CCLair/昌林
隔爆电磁溢流阀:
GDYWC-06G2-5,GDYWC-06G2-10,GDYWC-06G2-20,GDYWC-06G2-31.5,GDYWC-06G2-35,GDYWC-06G2-35A-1/D24A/53
发货:
3天内
发送询价
联系方式
姓名:销售员 1025(女士)
电话:
13861877712
传真:0510-82328771
地区:江苏-无锡市
地址:
无锡市会北路28-135
邮编:214000
QQ:
2355802921
0
人关注
0
人点赞
举报
评分:
分
扫一扫访问当前网页
复制链接
二维码
短信
邮件
关闭
同类了解产品
GDAW-10-05,GDAW-10-40,GDAW-10-05-A/D24C/53 隔爆电磁单向阀
GDAW-06-05,GDAW-06-40,GDAW-06-05-A/D24C/53 隔爆电磁单向阀
GDAW-10-05,GDAW-10-40,GDAW-10-05-A/D24A/53 隔爆电磁单向阀
GDAW-06-05,GDAW-06-40,GDAW-06-05-A/D24A/53 隔爆电磁单向阀
23GDQDF-02,23GDQDF-02B-B127A/53 隔爆电磁球阀
23GDQDF-02,23GDQDF-02K-B220A/53 隔爆电磁球阀
取消
发送询价
分享好友
了解产品首页
频道列表
我要评论