返回
真空吸盘
首页
>
了解产品
>
空压 真空元件
>
真空元件
>
真空吸盘
PFYS-2-2.5,PFYS-2-5,PFYS-3.5-2.5,PFYS-3.5-5,PFYS系列标准横向附缓冲吸盘组
2019-03-18 12:39
1575
信息概况
价格:
未填
型号:
PFYS-2-2.5,PFYS-2-5,PFYS-3.5-2.5,PFYS-3.5-5,PFYS-5-3,PFYS-5-10,PFYS-5-15,PFYS-5-25,PFYS-6-3,PFYS-6-1
发货:
3天内
发送询价
产品特征:
PFYS
-10
-4
-N
(1)
(2)
(3)
(1)吸盘直径(mm)
(2)行程mm
(3)吸盘材料
2
35
2.5
15
N
丁腈橡胶
3.5
40
3
20
S
硅胶
5
50
4
25
NE
导电性丁腈橡胶
6
60
5
30
SE
导电性硅胶
8
80
6
50
10
95
10
70
15
100
20
120
25
150
30
200
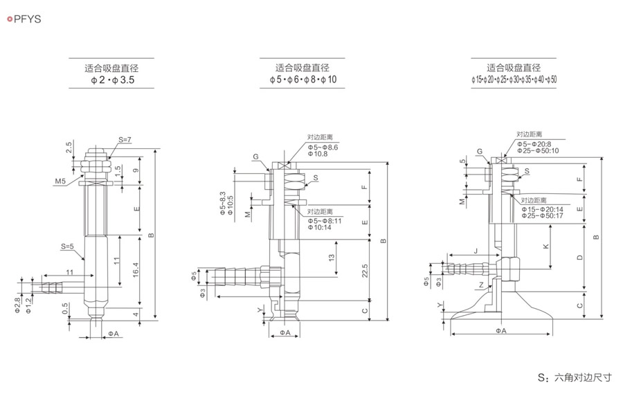
产品外形尺寸:
型号
A
B
C
D
E
F
G
J
K
S
M
Y
Z
PFYS-2-2.5
2
35.7
-
-
4.5
-
-
-
-
-
-
-
-
PFYS-2-5
2
40.7
-
-
9.5
-
-
-
-
-
-
-
-
PFYS-3.5-2.5
3.5
35.7
-
-
4.5
-
-
-
-
-
-
-
-
PFYS-3.5-5
3.5
40.7
-
-
9.5
-
-
-
-
-
-
-
-
PFYS-5-3
5
51
6.5
-
6
13
M9*P1
-
-
12H
2
0.8
-
PFYS-5-10
5
65
6.5
-
20
13
M9*P1
-
-
12H
2
0.8
-
PFYS-5-15
5
75
6.5
-
30
13
M9*P1
-
-
12H
2
0.8
-
PFYS-5-25
5
95
6.5
-
50
13
M9*P1
-
-
12H
2
0.8
-
PFYS-6-3
6
51
6.5
-
6
13
M9*P1
-
-
12H
2
0.8
-
PFYS-6-10
6
65
6.5
-
20
13
M9*P1
-
-
12H
2
0.8
-
PFYS-6-15
6
75
6.5
-
30
13
M9*P1
-
-
12H
2
0.8
-
PFYS-6-25
6
95
6.5
-
50
13
M9*P1
-
-
12H
2
0.8
-
PFYS-8-3
8
51.5
7
-
6
13
M9*P1
-
-
12H
2
0.8
-
PFYS-8-10
8
65.5
7
-
20
13
M9*P1
-
-
12H
2
0.8
-
PFYS-8-15
8
75.5
7
-
30
13
M9*P1
-
-
12H
2
0.8
-
PFYS-8-25
8
95.5
7
-
50
13
M9*P1
-
-
12H
2
0.8
-
PFYS-10-4
10
60
7.5
-
8
19
M11*P1
-
-
14H
3
1.5
-
PFYS-10-10
10
72
7.5
-
20
19
M11*P1
-
-
14H
3
1.5
-
PFYS-10-20
10
82
7.5
-
40
19
M11*P1
-
-
14H
3
1.5
-
PFYS-10-30
10
112
7.5
-
60
19
M11*P1
-
-
14H
3
1.5
-
联系方式
姓名:销售员 1765(先生)
电话:
400-6770-998
地区:江苏-无锡市
地址:
会北路28-135
QQ:
2355802916
0
人关注
0
人点赞
举报
评分:
分
扫一扫访问当前网页
复制链接
二维码
短信
邮件
关闭
同类了解产品
ZPL1,ZPL2,ZPL3真空吸盘
Y-PS-10M-,Y-PS-15M-,Y-PS-20M-,Y-PS-25M-,Y-PS-30M-,Y-PS-35M-,Y-PS-40M-,Y-PS-50M-,Y-PS-10F-,Y-PS-15F-,Y-PS-20F-,Y-PS-25F-,Y-PS-30F-,Y-PS-35F-,Y-PS-40F-,Y-PS-50F-,Y-PS-10JM-,Y-PS-15JM-,Y-PS-20JM-,Y-PS-25JM-,Y-PS-30JM-,Y-PS-35JM-真空吸盘
SP-S04-S,SPL-S04-S,SP-S06-S,SP-S08-S,SP-S10-S,SP-S12-S,SP-S15-S,SP-S20-S,SP-S25-S,SP-S30-S,DP-S04-S,DP-S06-S,DP-S08-S,DP-S10-S,DP-S12-S,DP-S15-S,MP-S04-S,MP-S06-S,MP-S08-S,MP-S10-S,MP-S12-S,MP-S15-S,SP-06-S,SP-08-S,SP-10-S,SP-12-S,SP-15-S,SP-20-S真空吸盘
F18-S,F22-S,F26-S,F33-S,F18-S,F22-S,F26-S,F33-S,F18-NE F22-NE,F26-NE,F33-NE,F18-N,F22-N,F26-N,F33-N,BK-18-S,BK-22-S,BK-26-S,BK-33-S,BK-18-S,BK-22-S,BK-26-S,BK-33-S,BK-18-NE,BK-22-NE,BK-26-NE,BK-33-NE,BK-18-N,BK-22-N,BK-26-N,BK-33-N真空吸盘
ZPT06B*J6-04-A8,ZPT06B*J10-04-A8,ZPT06B*J15-04-A8,ZPT06B*J25-04-A8,ZPT08B*J6-04-A8,ZPT08B*J10-04-A8,ZPT08B*J15-04-A8,ZPT08B*J25-04-A8,ZPT10B*J10-B5-A10,ZPT10B*J20-B5-A10,ZPT10B*J30-B5-A10,ZPT10B*J40-B5-A10,ZPT10B*J50-B5-A10,ZPT13B*J10-B5-A10真空吸盘
PAG-10A-N,PAG-10B-N,PAG-15A-N,PAG-15B-N,PAG-20A-N,PAG-20B-N,PAG-25-N,PAG-30-N,PAG-30B-N,PAG-40-N,PAG-50-N,PAG-10A-S,PAG-10B-S,PAG-15A-S,PAG-15B-S,PAG-20A-S,PAG-20B-S,PAG-25-S,PAG-30-S,PAG-30B-S,PAG-40-S,PAG-50-S真空吸盘
取消
发送询价
分享好友
了解产品首页
频道列表
我要评论