返回
气爪
首页
>
了解产品
>
执行元件 液压缸
>
其他气缸
>
气爪
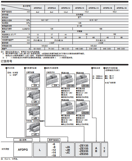
AFDPG-6,AFDPG-8,AFDPG-12,AFDPG-14,AFDPGL-14,AFDPG-18,AFDPGL-18,扁平型气动手指
2018-10-22 09:07
1417
信息概况
价格:
未填
品牌:
KOGANEI/小金井
型号:
AFDPG-6,AFDPG-8,AFDPG-12,AFDPG-14,AFDPGL-14,AFDPG-18,AFDPGL-18
发货:
3天内
发送询价
联系方式
姓名:销售员1759(先生)
电话:
13861877712
传真:0510-82328771
地区:江苏-无锡市
地址:
无锡市会北路28-135
0
人关注
0
人点赞
举报
评分:
分
扫一扫访问当前网页
复制链接
二维码
短信
邮件
关闭
同类了解产品
EWHA12A,EWHA24A,EWHA36A,电动手指
NHL1D-8,NHL1D-10,NHL1D-16,NHL1D-20,NHL1D-25,气动手指--L手指系列
NHE2-16,NHE2-20,NHE2-25,三爪型气动手指--机械手指
NHBMRP-10,NHBMP-10,NHBMRP-16,NHBMP-16,NHBMRP-20,NHBMP-20,宽型气动手指--机械手指
WHDP-12,WHDP-16,WHDP-20,WHDP-25,宽型气动手指
NHBDSL-12,NHBDSL-16,NHBDSL-20,NHBDSL-25,气动手指--摆动型
取消
发送询价
分享好友
了解产品首页
频道列表
我要评论