返回
标准气缸
首页
>
了解产品
>
执行元件 液压缸
>
执行元件/气缸
>
标准气缸
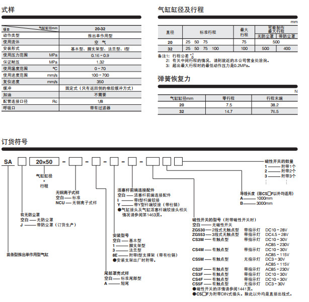
SA20*25,SA20*50,SA20*75,SA32*25,SA32*50,SA32*75,SA32*100,SAJ20*25,SAJ20*50,苗条型气缸
2018-10-20 15:11
998
信息概况
价格:
未填
品牌:
KOGANEI/小金井
型号:
SA20*25,SA20*50,SA20*75,SA32*25,SA32*50,SA32*75,SA32*100,SAJ20*25,SAJ20*50,SAJ20*75,SAJ32*25,SAJ32*5
发货:
3天内
发送询价
联系方式
姓名:销售员1759(先生)
电话:
13861877712
传真:0510-82328771
地区:江苏-无锡市
地址:
无锡市会北路28-135
0
人关注
0
人点赞
举报
评分:
分
扫一扫访问当前网页
复制链接
二维码
短信
邮件
关闭
同类了解产品
SC32x25,SC32x50,SC32x75,SC32x100,SC32x125,SC32x150,SC32x175,SC32x200,SC32x250,SC32x300,SC32x400,SC32x450,SC32x500,SC32x550,SC32x600,SC32x650,SC32x700,SC32x750,SC32x800,SC32x850,SC32x900,SC32x950,SC32x1000标准气缸
CMSH-020,CMSJ-020,CMSE-020,CMSG-020,DMSH-020,DMSH-020N,DMSH-020P,DMSH-020,DMSH-020N,DMSH-020P,DMSJ-020,DMSJ-020N,DMSJ-020P,F-SC32SH,F-SC40SH,F-SC50SH,F-SC63SH,F-SC80SH,F-SC100SH,F-SC125SH,F-SC160SH,F-SC200SH磁性开关
10A-5SH 双活塞缓冲气缸
QGY(EW)双活塞杆薄型气缸
QGY(Z)带导杆防转薄型气缸
10C-5无拉杆气缸
取消
发送询价
分享好友
了解产品首页
频道列表
我要评论