返回
双杆气缸
首页
>
了解产品
>
执行元件 液压缸
>
执行元件/气缸
>
双杆气缸
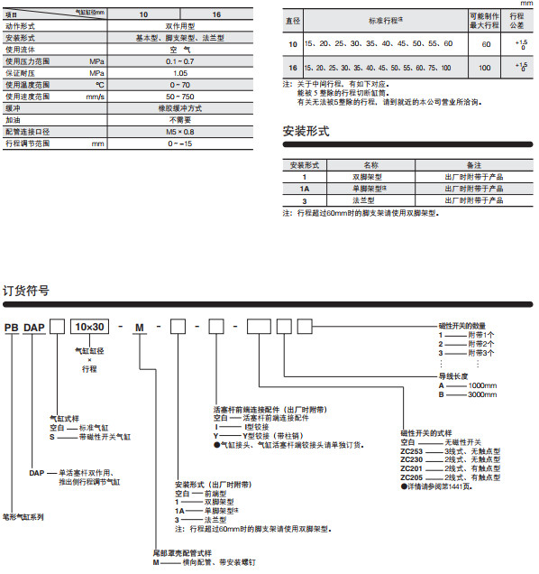
PBDAP10*15,PBDAP10*20,PBDAP10*25,PBDAP10*30,PBDAP10*35,PBDAP10*40,笔形气缸--推出侧行程调节气缸
2018-10-20 14:23
2584
信息概况
价格:
未填
品牌:
KOGANEI/小金井
型号:
PBDAP10*15,PBDAP10*20,PBDAP10*25,PBDAP10*30,PBDAP10*35,PBDAP10*40,PBDAP10*45,PBDAP10*50,PBDAP10*55,P
发货:
3天内
发送询价
联系方式
姓名:销售员1759(先生)
电话:
13861877712
传真:0510-82328771
地区:江苏-无锡市
地址:
无锡市会北路28-135
0
人关注
0
人点赞
举报
评分:
分
扫一扫访问当前网页
复制链接
二维码
短信
邮件
关闭
同类了解产品
T-TBDA6*10,T-TBDA6*20,T-TBDA6*30,T-TBDA6*40,T-TBDA6*50,T-TBDA10*10,低速气缸--二端出杆气缸
ATBDAD16*10,ATBDAD16*20,ATBDAD16*30,ATBDAD16*40,ATBDAD16*50,阿尔发系列双活塞杆气缸--二端出杆型
ATBDA10*10,ATBDA10*20,ATBDA10*30,ATBDA10*40,ATBDA10*50,阿尔发系列双活塞杆气缸--单活塞杆型
TBDAK16*10,TBDAK16*20,TBDAK16*30,TBDAK16*40,TBDAK16*50,双活塞杆气缸B系列尾端保持气缸
TBSA10*10,TBSA10*20,TBSA10*30,TBSA10*40,TBSA10*50,TBSA10*60,双活塞杆气缸B系列--押出单作用型
TBDAM10*10,TBDAM10*20,TBDAM10*30,TBDAM10*40,TBDAM10*50,TBDAM10*60,双活塞杆气缸B系列--双作用长衬套型
取消
发送询价
分享好友
了解产品首页
频道列表
我要评论