返回
蝶阀
首页
>
了解产品
>
阀门 流体控制
>
通用阀门
>
蝶阀
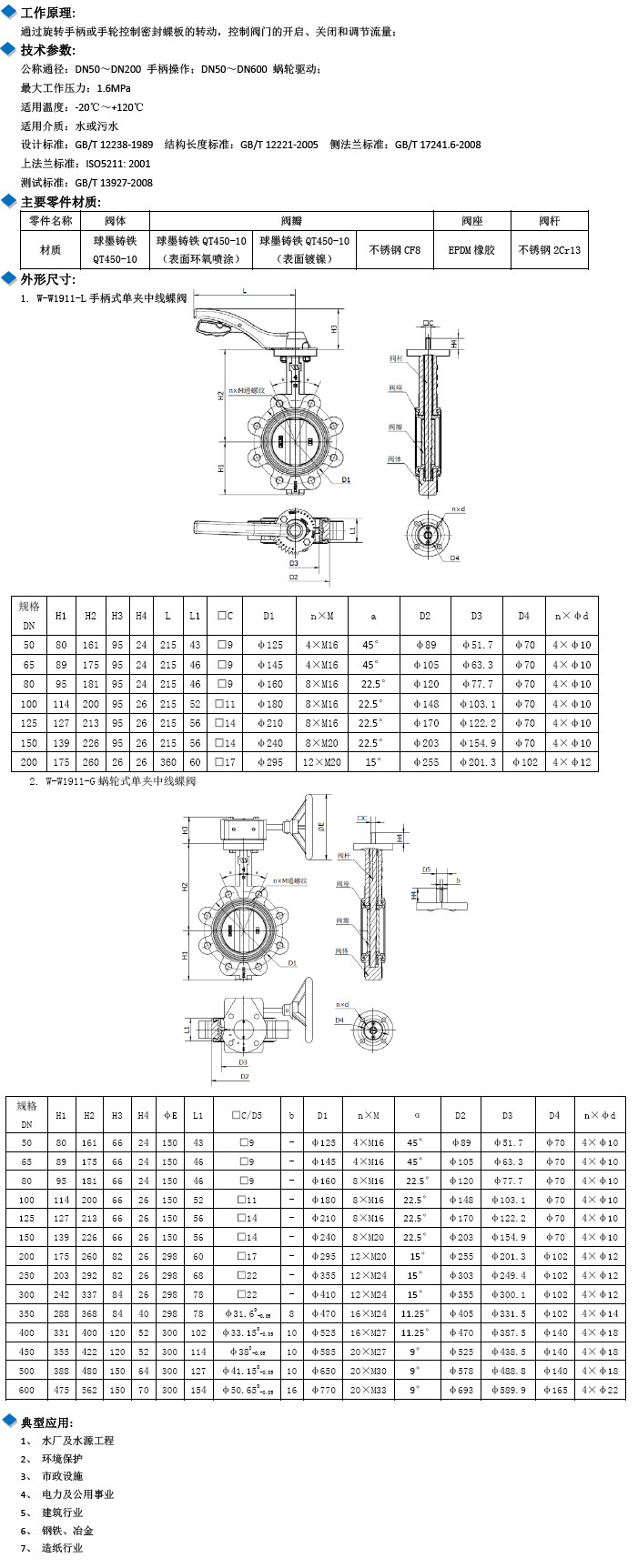
W-W1911-L-DN50,W-W1911-L-DN65,W-W1911-G-DN50,W-W1911-G-DN65,单夹中线蝶阀
2018-09-04 08:27
1550
信息概况
价格:
未填
品牌:
CCLair/昌林
型号:
W-W1911-L-DN50,W-W1911-L-DN65,W-W1911-L-DN80,W-W1911-L-DN100,W-W1911-L-DN125,W-W1911-L-DN150 W-W1911
发货:
3天内
发送询价
联系方式
姓名:销售员 1753(先生)
电话:
13861877712
地区:江苏-无锡市
地址:
无锡市会北路28-135
0
人关注
0
人点赞
举报
评分:
分
扫一扫访问当前网页
复制链接
二维码
短信
邮件
关闭
同类了解产品
GT-40/50/63/100/160,手动高真空蝶阀
GIQ-50/65/80/100/160,高真空气动蝶阀
Z011-A DN20,Z011-A DN25,Z011-A DN32,Z011-A DN40,Z011-A DN50,对夹式蝶阀
Z014-A DN20,Z014-A DN25,Z014-A DN32,Z014-A DN40,Z014-A DN50,支耳式蝶阀
Z011-AS DN50,Z011-AS DN65,Z011-AS DN80,Z011-AS DN100,对夹式蝶阀
F012-A DN50,F012-A DN65,F012-A DN80,F012-A DN100,F012-A DN125,双法兰蝶阀
取消
发送询价
分享好友
了解产品首页
频道列表
我要评论