返回
过滤装置
首页
>
了解产品
>
液压辅助元件
>
液压过滤器及装置
>
过滤装置
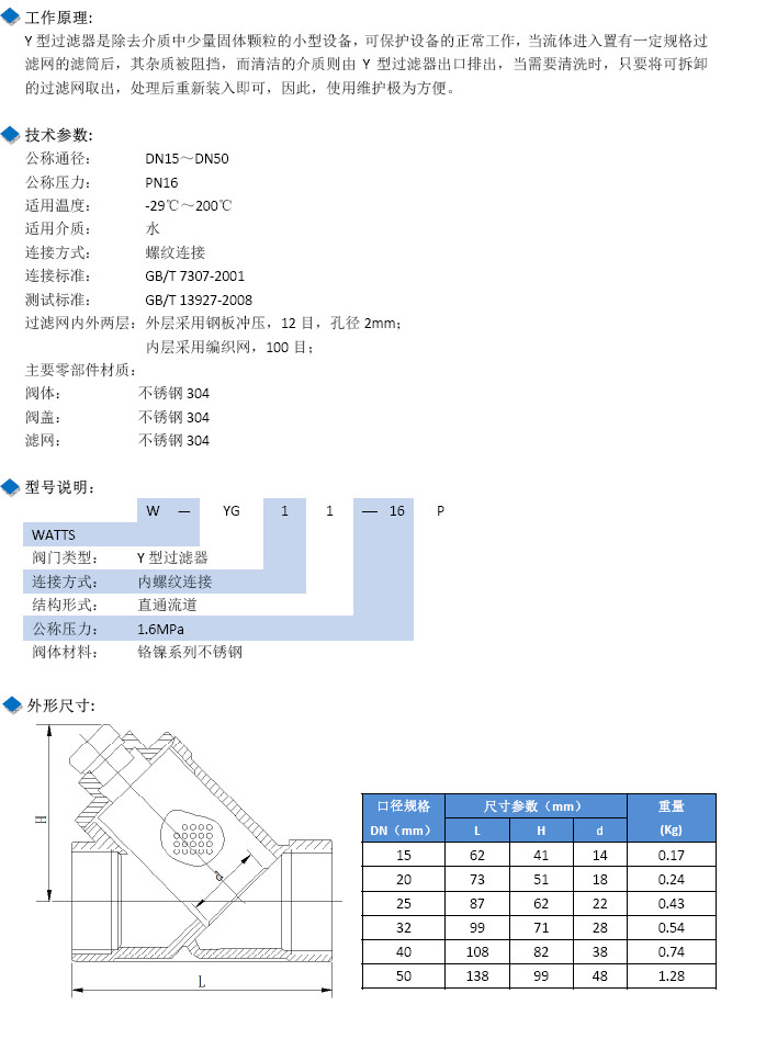
W-YG11-16P-DN15,W-YG11-16P-DN20,W-YG11-16P-DN25,不锈钢螺纹Y型过滤器
2018-09-03 16:23
2593
信息概况
价格:
未填
品牌:
CCLair/昌林
型号:
W-YG11-16P-DN15,W-YG11-16P-DN20,W-YG11-16P-DN25,W-YG11-16P-DN32,W-YG11-16P-DN40,W-YG11-16P-DN80
发货:
3天内
发送询价
联系方式
姓名:销售员 1753(先生)
电话:
13861877712
地区:江苏-无锡市
地址:
无锡市会北路28-135
0
人关注
0
人点赞
举报
评分:
分
扫一扫访问当前网页
复制链接
二维码
短信
邮件
关闭
同类了解产品
W-WB551-A,W-WB551-B,W-WB551-C,黄铜过滤器
W-W4112-DN50,W-W4112-DN65,W-W4112-DN80,W-W4112-DN100,W-W4112-DN125,Y型过滤器
W-YG41-25C-DN50,W-YG41-25C-DN65,W-YG41-25C-DN80,W-YG41-25C-DN100,Y型过滤器
W-JZG44-16Z-DN50*50,W-JZG44-16Z-DN65*65,W-JZG44-16Z-DN80*80,角型整流过滤器
W-YG41-16P-DN50,W-YG41-16P-DN65,W-YG41-16P-DN80,不锈钢法兰Y型过滤器
WD-4,WD-7,WD-10,WD-15,WD-20,WD-25,WD-35,WD-50,油水分离器
取消
发送询价
分享好友
了解产品首页
频道列表
我要评论