返回
液压软管
首页
>
了解产品
>
液压辅助元件
>
液压管件与配件
>
液压软管
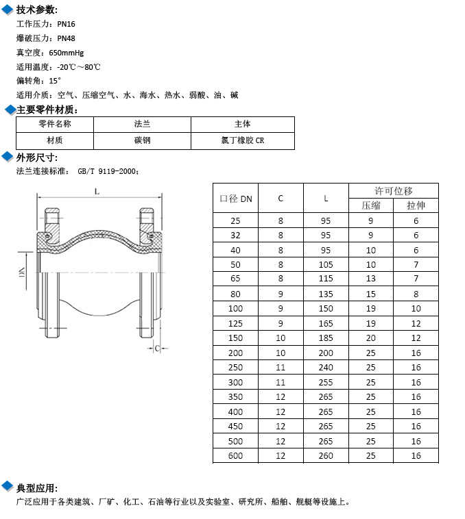
XGD1-16,橡胶挠性接管
2018-09-03 16:17
6198
信息概况
价格:
未填
品牌:
CCLair/昌林
型号:
XGD1-16
发货:
3天内
发送询价
联系方式
姓名:销售员 1753(先生)
电话:
13861877712
地区:江苏-无锡市
地址:
无锡市会北路28-135
0
人关注
0
人点赞
举报
评分:
分
扫一扫访问当前网页
复制链接
二维码
短信
邮件
关闭
同类了解产品
PU管 UH0425,UH0604,UH0805,UH0806,UH0906,UH01007,UH1065,UH1108,UH1208,UH1209,UH1612
RG-KJ4-200,4K200,RG-KJ4-1000,4K1000,RG-KJ6-200,6K200,RG-KJ6-1000,6K1000,护套软管
RG-N4-200,4N200,RG-N4-1000,4N1000,RG-N6-200,6N200,RG-N6-1000,6N1000,护套软管
ADP-150F,ADP-300F,ADP-500F,ADP-F,长杆随意延长软管
5FY-B-14,紫铜工艺管连接用配件
5FY-B-18,软管连接配件
取消
发送询价
分享好友
了解产品首页
频道列表
我要评论