XGB-1,XGB-2,XGB-3,XGB-4,XGB-5,XGB-6,XGB-7,XGB-8,XGB-9,XGB-10,XGB-11,XGB-12,XGB-13,XGB-14,XGB-15,XGB-16,XGB-17,漩涡气泵
工作原理及特点
旋涡气泵的叶轮由数十片叶片组成,它类似庞大的气轮机的叶轮。叶轮叶片中的空气受到了离心力的作用向叶轮的边缘云运动,在那里空气进入泵体的环形空腔,然后又返回叶轮,重新从叶轮的起点以同样的方式再进行循环。叶轮旋转所产生循环气流,以级高的能量离开气泵以供使用。
旋涡气泵采用专用电机,结构紧凑、体积小、重量轻、噪音低。送出的气源无水无油。
用途及使用范围
XGB型旋涡气泵是一种吹气或吸气两用的通用气源。它主要用于:切纸机、燃烧降氧机、卷烟滤嘴成型机,电镀槽液搅拌、雾化干燥机、水处理爆气、养鱼增氧、丝网印刷机、照相制版机、注塑机、自动上料烘干机、液体灌装机、粉末灌装机、电焊设备、电影机械、纸张输送、干洗衣服的清洁、空气除尘、干瓶、气体传送、清洁吹干、粉沫冶金、工业吸尘、食品、包装、收集等方面。
使用和维护
气泵应放置在较平稳的地方,周围环境应清洁、干燥、通风。
气泵叶轮旋转方向必须与风扇罩壳上所标箭头方向一致。
像一般电动机一样定期维修和给两端轴承加润滑脂。(3#二硫化钼锂基脂或7018高速润滑 脂)
进出口两端的过滤网和消音器应根据情况适时清洗,以免堵塞影响使用。
气泵出气口与外管道之间应使用增强橡胶(或塑料)管软联接。
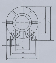
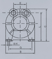
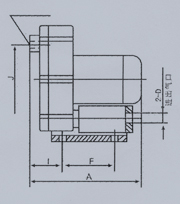
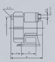
XGB型旋涡气泵外形尺寸图




XGB型旋涡气泵技术参数
| 型号 | 1 | 2 | 3 | 4 | 5 | 6G | 7 | 8 | 9 |
| 大压力kpa | 65 | 60 | 50 | 33 | 30 | 40 | 26 | 11 | 24 |
| 大真空度kpa | 36.5 | 35 | 30 | 26 | 21 | 29 | 20 | 10 | 16 |
| 大气流m3/h | 280 | 780 | 720 | 320 | 280 | 360 | 180 | 40 | 150 |
| 电动机 | 电压v | 380 | 380 | 380 | 380 | 380 | 380 | 380 | 1Φ×220v 3Φ×380v | 380 |
| 功率kw | 7.5 | 15 | 11 | 4 | 3 | 5.5 | 2.2 | 0.38 | 1.5 |
| 型号 | Y132S 2 |
| Y160M 2 | Y112M 2 | Y100L 2 | Y132S 2 | Y90L 2 | AO7112 | AO8032 |
| 外形尺寸mm | A | 950 | 700 | 700 | 440 | 424 | 530 | 370 | 275 | 340 |
| B | 420 | 616 | 620 | 436 | 415 | 480 | 390 | 250 | 360 |
| C | 450 | 660 | 680 | 470 | 450 | 540 | 410 | 265 | 390 |
| 联接尺寸mm | D | M75×2 | G4 | G4 | M75×2 | M75×2 | M75×2 | G2" | G1×1/4 | G2" |
| E |
|
| 194 | 140 | 134 | 150 | 130 | 87 | 118 |
| 安装尺寸mm | F |
| 400 | 400 | 200 | 200 | 216 | 200 | 80 | 200 |
| G |
| 500 | 530 | 310 | 305 | 350 | 305 | 200 | 305 |
| H |
|
| Φ14 | Φ12 | Φ12 | Φ14 | Φ12 | Φ10 | Φ12 |
| I |
|
| 230 | 150 | 68 | 168 | 60 | 74 | 50 |
| J |
|
| Φ420 | Φ341 | Φ330 | Φ380 | Φ235 | Φ140 | Φ218 |
| K |
|
| M12 | M10 | M10 | M10 | M10 | M8 | M10 |
| L |
|
| 600 | 410 | 364 | 470 | 334 | 218 | 308 |
| 重量kg | 90 | 250 | 230 | 70 | 55 | 130 | 40 | 16 | 35 |
|
| 图-2 | 图-2 | 图-2 | 图-1 | 图-2 | 图-1 | 图-1 | 图-1 |
| 10 | 11 | 12 | 13 | 14 | 15 | 16 | 17 |
| 50 | 18 | 14 | 16 | 42 | 80 | 50 | 55 |
| 31 | 15 | 11 | 12 | 30 | 45 | 30 | 35 |
| 950 | 120 | 100 | 110 | 480 | 1000 | 680 | 180 |
| 380 | 1Φ×220v 3Φ×380v | 1Φ×220v 3Φ×380v | 1Φ×220v 3Φ×380v | 380 | 380 | 380 | 380 |
| 18.5 | 1.1 | 0.55 | 0.75 | 7.5 | 22 | 7.5 | 5.5 |
| Y160L 2 | JW7132 | JW7112 | JW7122 | Y132S 2 |
| Y132S 2 | Y132S 2 |
| 700 | 330 | 320 | 320 | 530 |
| 600 | 950 |
| 616 | 324 | 310 | 310 | 510 |
| 620 | 420 |
| 660 | 350 | 340 | 340 | 565 |
| 640 | 430 |
| G4" | G1×1/2 | G1×1/2 | G1×1/2 | M75×2 | G4" | M75×2 |
|
| 165 | 108 | 100 | 108 | 158 |
| 158 |
|
| 400 | 180 | 180 | 180 | 170 | 300 | 170 |
|
| 500 | 280 | 280 | 280 | 350 | 430 | 350 |
|
| Φ14 | Φ10 | Φ10 | Φ10 | Φ14 |
| Φ14 |
|
| 188 | 45 | 134 | 45 | 180 |
| 180 |
|
| / | Φ190 | Φ200 | Φ200 | 400 |
| Φ400 |
|
| / | M8 | / | M8 | M10 |
| M12 |
|
| 600 | 270 | 256 | 270 | 488 |
| 488 |
|
| 215 | 21 | 18 | 21 | 145 | 290 | 170 | 170 |
| 图-2 | 图-1 | 图-1 | 图-1 | 图-2 |
| 图-2 |
|
XGB型旋涡气泵曲图
