返回
磁粉离合器
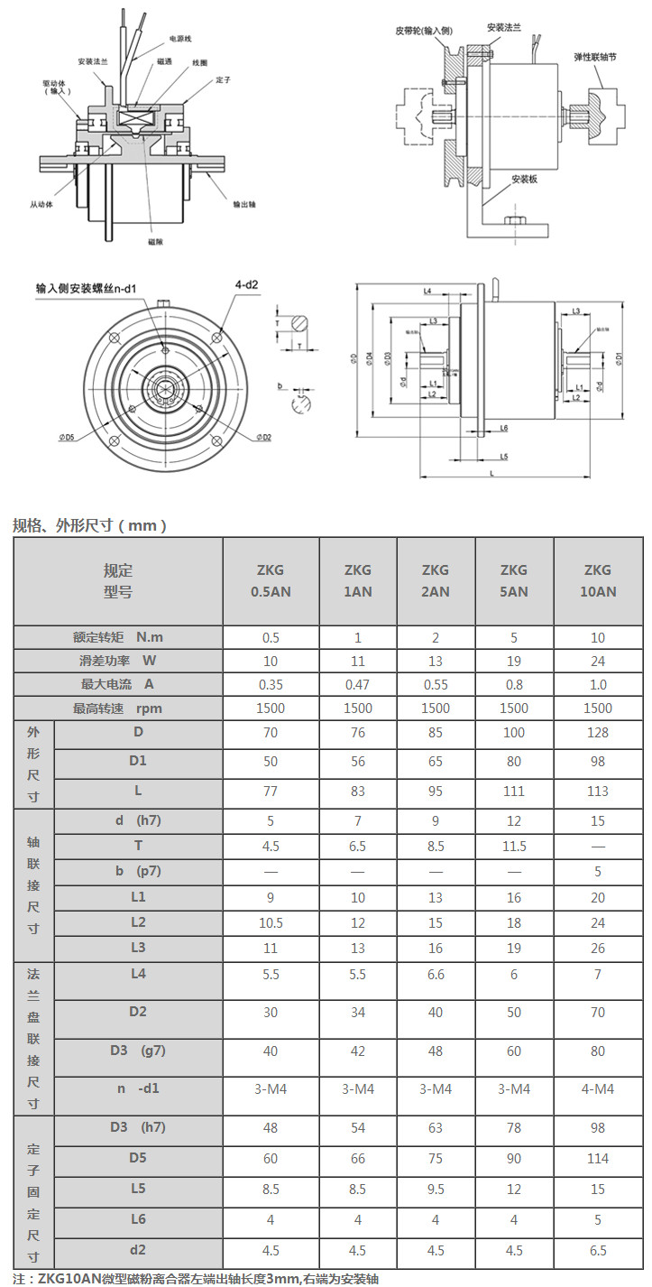
ZKG0.5AN,ZKG1AN,ZKG2AN,ZKG5AN,ZKG10AN,微型磁粉离合器
2018-08-21 10:541576
信息概况
  • 价格:未填
  • 品牌:CCLair/昌林
  • 型号:ZKG0.5AN,ZKG1AN,ZKG2AN,ZKG5AN,ZKG10AN
  • 发货:3天内
联系方式
  • 举报
关闭
同类了解产品