2V 1:1,叶片式气动马达
一、特点用途
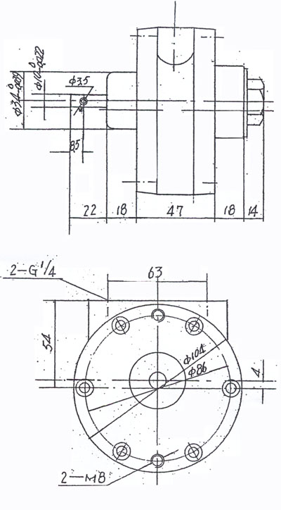
叶片式气动马达,以压缩空气动力源,具有结构坚固,负载安全,高扭力低耗能,防爆防火,无级防火,无极调速,保养维护方便等性能,因此,广泛应用在搅拌设备,食品药物包装置及各种型式的支架,采取立式或卧式的安装形式使用.
二、技术参数
型号 | 减速比 | 较高转速时 | 最在扭矩时 |
马力 | 扭力 | 速度 | 耗气量 | 速度r.p.m | 扭力 | 重量kg |
HP | KW | N.M | lb.in | r.p.m | l/min | CFM | N.M | lb.in |
1V | 1:1 | 0.45 | 0.33 | 0.31 | 2.75 | 10000 | 580 | 20.5 | 20.5 | 0.65 | 2.75 | 1 |
1VA | 4:1 | 0.40 | 0.30 | 1.78 | 15.7 | 2500 | 585 | 21 | 21 | 2.51 | 22.2 | 1.4 |
2V | 1:1 | 0.93 | 0.69 | 2.20 | 19.5 | 3000 | 850 | 30 | 30 | 3.05 | 27 | 3.1 |
2VA | 10:1 | 0.71 | 0.53 | 16.63 | 147 | 300 | 626 | 22 | 22 | 23 | 204 | 6.8 |
15:1 | 0.68 | 0.50 | 24.25 | 215 | 200 | 656 | 23 | 23 | 35 | 310 | 6.8 |
20:1 | 0.62 | 0.46 | 29.51 | 262 | 150 | 780 | 27.5 | 17.5 | 40 | 354 | 6.8 |
30:1 | 0.58 | 0.43 | 38.9 | 346 | 100 | 860 | 31 | 13 | 54.7 | 480 | 6.8 |
60:1 | 0.45 | 0.34 | 63 | 558 | 50 | 860 | 31 | 6 | 90 | 800 | 6.8 |
三、外形尺寸
