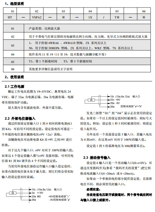
HT-VSPA2-1-15-T5,HT-VSPA2-1-16-T5,HT-VSPA2-1-17-T5,HT-VSPA2-1-18-T5比例放大器








HT-VSPA2-50-11-T1,HT-VSPA2-50-12-T1,HT-VSPA2-50-13-T1,HT-VCPA2-50-14-T1比例放大器
HT-VSPA2-50-15-T1,HT-VSPA2-50-16-T1,HT-VSPA2-50-17-T1,HT-VSPA2-50-18-T1比例放大器
HT-VSPA2-50-19-T1比例放大器
HT-VSPA2-50-11-T5,HT-VSPA2-50-12-T5,HT-VSPA2-50-13-T5,HT-VCPA2-50-14-T5比例放大器
HT-VSPA2-50-15-T5,HT-VSPA2-50-16-T5,HT-VSPA2-50-17-T5,HT-VSPA2-50-18-T5比例放大器
HT-VSPA2-50-19-T5比例放大器