返回
制动器
首页
>
了解产品
>
制动器 离合器
>
制动器
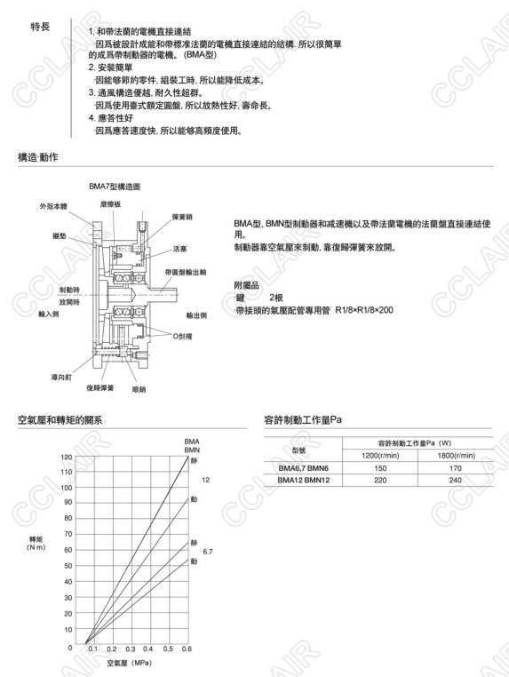
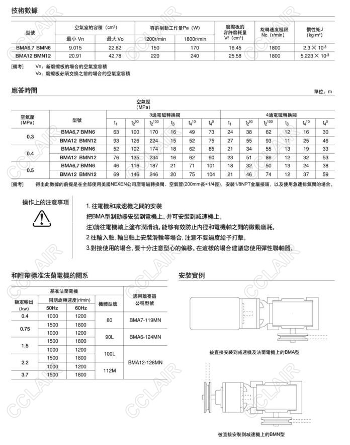
BMA7-119MN,BMA6-124MN,BMA12-128MN,BMN6-124MN,BMN12-128MN,空压通轴制动器
2018-08-16 09:05
974
信息概况
价格:
未填
品牌:
CCLair/昌林
型号:
BMA7-119MN,BMA6-124MN,BMA12-128MN,BMN6-124MN,BMN12-128MN
发货:
3天内
发送询价
BMA7-119MN,BMA6-124MN,BMA12-128MN,BMN6-124MN,BMN12-128MN,空压通轴制动器
联系方式
姓名:销售员 1724(先生)
电话:
13861877712
传真:0510-82328771
地区:江苏-无锡市
地址:
无锡市会北路28-135
0
人关注
0
人点赞
举报
评分:
分
扫一扫访问当前网页
复制链接
二维码
短信
邮件
关闭
同类了解产品
BFK458-06E,BFK458-08E,BFK458-10E,BFK458-12E,BFK458-14E,BFK458-16E,BFK458-18E,BFK458-20E,BFK458-25E,BFK458-30E,REB0406B,REB0408B,REB0410B,REB0412B,REB0414B,REB0416B,REB0418B,REB0420B,REB0425B,REB0430B失电制动器
S110,S130,S150,S180,伺服电机制动器
S040,S060,S080,S100,伺服电机制动器
BN06,BN08,BN10,BN12,BN14,BN16,BN18,BN20,BN25,BN30,电磁制动器
DHM3-04C,DHM3-05C,DHM3-08C,DHM3-15C,DHM3-30C,电磁制动器
DHM3-200,DHM3-300,DHM3-450,DHM3-600,DHM3-850,大扭矩电磁制动器
取消
发送询价
分享好友
了解产品首页
频道列表
我要评论