返回
插装阀
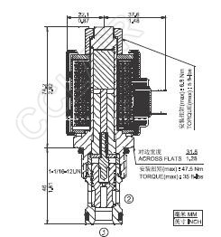
Northman北部精机,两通常开式锥阀SV12-21S-N-0-DG,SV12-21S-N-0-DL,SV12-21S-N-0-DR,SV12-21S-V-0-DR,SV12-21S-V-0-AG,SV12-21S-V-0-AP,SV12-21S-V-230-DG,SV12-21S-V-230-DL,SV12-21S-V-230-DR,SV12-21S-V-230-AG
2018-06-21 09:092418
信息概况
  • 价格:未填
  • 品牌:Northman/北部精机
  • 型号:SV12-21S-N-0-DG,SV12-21S-N-0-DL,SV12-21S-N-0-DR,SV12-21S-N-0-AG,SV12-21S-N-0-AP,
  • 发货:3天内
联系方式
  • 举报
关闭
同类了解产品