返回
安全阀
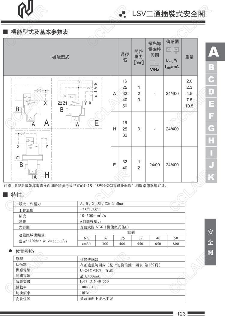
Northman台湾北部精机,二通插裝式安全阀LSV16A10-30-20,LSV40A10-30-20,LSV25A20-30-20,LSV50A20-30V-20,LSV16H30-30-20,LSV32E10-30V-20,LSV40E20-30-20,LSV16A20-30V-10,LSV25A40-30V-10,LSV40H40-30V-10,LSV50H10-30V-10
2018-06-21 09:483323
信息概况
  • 价格:未填
  • 品牌:Northman/北部精机
  • 型号:LSV16A10-30-20,LSV16A10-30V-20,LSV25A10-30-20,LSV25A10-30V-20,LSV32A10-30-20,
  • 发货:3天内
联系方式
  • 举报
关闭
同类了解产品