返回
放大器
首页
>
了解产品
>
液压辅助元件
>
液压辅助元件
>
放大器
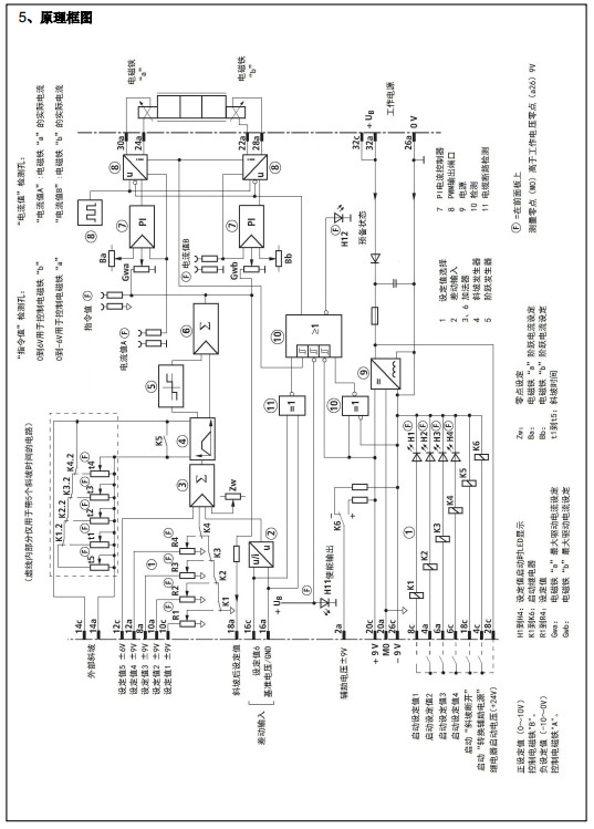
HT-3000,HT-3006,HT-3013,HT-3014,HT-3017,HT-3018比例放大器
2017-11-29 15:18
3229
信息概况
价格:
未填
型号:
HT-3000,HT-3006,HT-3013,HT-3014,HT-3017,HT-3018比例放大器
发货:
3天内
发送询价
HT-3000,HT-3006,HT-3013,HT-3014,HT-3017,HT-3018比例放大器
联系方式
姓名:销售员(女士)
电话:
13861877712
地区:江苏-无锡市
地址:
无锡市会北路28-135
0
人关注
0
人点赞
举报
评分:
分
扫一扫访问当前网页
复制链接
二维码
短信
邮件
关闭
同类了解产品
YT-300P1,YT-300P2,YT-300P3,YT-300N1,YT-300N2,YT-300N3,气动放大器
HD101,功率放大器
HT-2000,HT-2010,HT-2013比例放大器
HT-VSPA1-1-11,HT-VSPA1-1-12,HT-VSPA1-1-13,HT-VSPA1-1-14,HT-VSPA1-1-15比例放大器
HT-VSPA2-1-11-T1,HT-VSPA2-1-12-T1,HT-VSPA2-1-13-T1,HT-VCPA2-1-14-T1比例放大器
HT-VSPA2-1-20/V0/T5,HT-VSPA2-1-21/V0/T5,HT-VSPA2-1-22/V0/T5,HT-VSPA2-1-23/V0/T5比例放大器
取消
发送询价
分享好友
了解产品首页
频道列表
我要评论