返回
其他传感器
首页
>
了解产品
>
开关电气 传感器
>
其他传感器
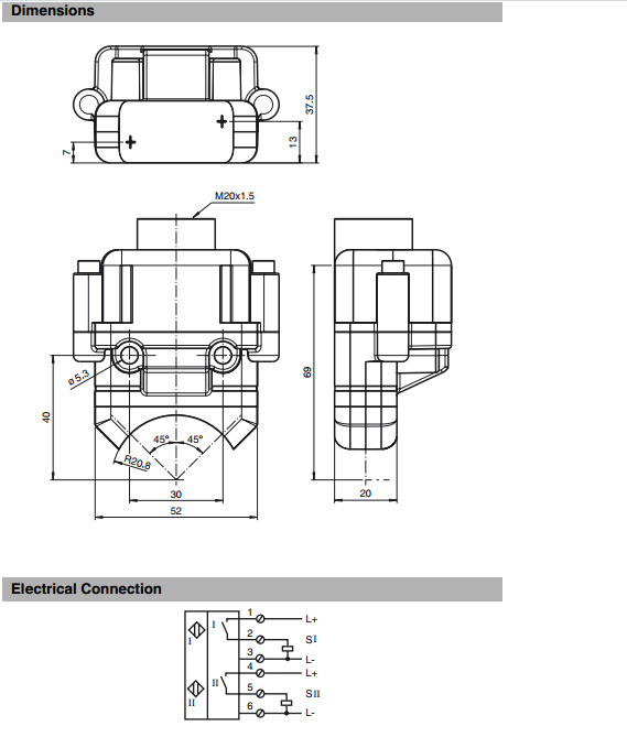
NBN4-F25K-2E2感应式传感器
2017-09-12 12:46
780
信息概况
价格:
未填
型号:
NBN4-F25K-2E2
发货:
3天内
发送询价
NBN4-F25K-2E2感应式传感器
联系方式
姓名:销售员(女士)
电话:
13861877712
地区:江苏-无锡市
地址:
无锡市会北路28-135
0
人关注
0
人点赞
举报
评分:
分
扫一扫访问当前网页
复制链接
二维码
短信
邮件
关闭
同类了解产品
TP11,温度传感器
TT10型,热电偶温度传感器
TE80-T2A6H100,TE80A-TP2S,TE80A-TP2A,TE80A-TP3A,TE80-2A,TE80-2S,TE80-S,TE80-A,带显示型温度传感器
FS-IR12,光电式液位传感器
XFL-S5-150MM,XFL-S5-100MM,XFL-S5-200MM,XFL-S5-250MM,XFL-S5-300MM,4-20mA信号液位传感器
XFL-S5-250MM,XFL-S5-100MM,XFL-S5-150MM,XFL-S5-200MM,XFL-S5-300MM,5孔法兰电流信息油位传感器
取消
发送询价
分享好友
了解产品首页
频道列表
我要评论