DST-27100,液晶控制仪/记录仪
DST-27100/27100R系列液晶汉显控制仪/无纸记录仪在设计上吸纳了当今电脑结构思路:硬件上采用内 带快闪存储器的新型微处理器,扩充了数据存储区,显示器采用3.5英寸128*64高分辩率点阵式白屏黑字液晶 屏,软件上引入中文WINDOWS的框架思路,并采用了数据压缩技术。带USB数据转存功能,存储时间最长可 达720天。仪表全面采用了表面贴装工艺,并采用多重保护和隔离设计,抗干扰能力强,可靠性高。仪表可同 时输入4路万能信号,输入通道相互隔离,并具有报警控制、模拟变送、RS485/232通讯等输出功能,是一款 功能齐全的汉显仪表。



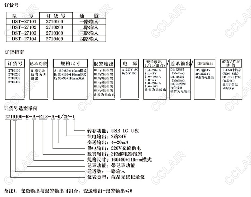
2710100-R-A,2710100-R-B,2710100-R-C,
2710200-R-A,2710200-R-B,2710200-R-C,
2710300-R-A,2710300-R-B,2710300-R-C,
2710400-R-A,2710400-R-B,2710400-R-C,