返回
隔离器
首页
>
了解产品
>
仪器仪表 自动化
>
压力与隔离及控制
>
隔离器
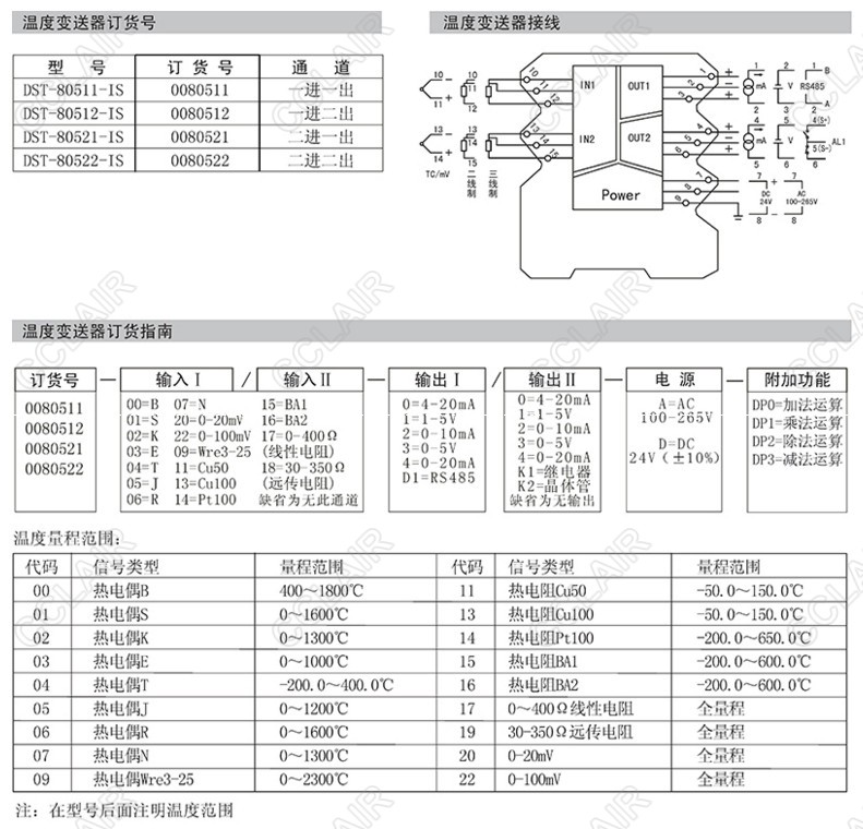
DST-80500,DST-80511-IS,DST-80512-IS,DST-80521-IS,DST-80522-IS,温度变送隔离器
2017-07-08 19:48
1187
信息概况
价格:
未填
型号:
DST-80500,DST-80511-IS,DST-80512-IS,DST-80521-IS,DST-80522-IS,温度变送隔离器
发货:
3天内
发送询价
DST-80500,DST-80511-IS,DST-80512-IS,DST-80521-IS,DST-80522-IS,温度变送隔离器
DST-80500系列温度变送器将工业现场的热电阻或热电偶信号转换成所需信号,经隔离传输到控制室,有 效提高工业生产过程自动控制系统的抗干扰能力。全面采用贴片技术,模块化结构设计,体积小,功耗低。带 模拟量输出、继电器输出、RS-485通讯输出功能。输入、输出、电源三隔离,保证系统的稳定性和可靠性。
联系方式
姓名:销售员(女士)
电话:
13861877712
地区:江苏-无锡市
地址:
无锡市会北路28-135
0
人关注
0
人点赞
举报
评分:
分
扫一扫访问当前网页
复制链接
二维码
短信
邮件
关闭
同类了解产品
KCD2-SCD-1,模拟量输出信号调节器
KFD0-CS-2.51P,模拟量输出信号调节器
KFD2-SCD2-1.LK,模拟量输出信号调节器
KFD2-SCD2-2.LK,模拟量输出信号调节器
S1SD-1AI-1U.2,SC(紧凑型)
S1SD-1AI-1U.3,SC(紧凑型)
取消
发送询价
分享好友
了解产品首页
频道列表
我要评论