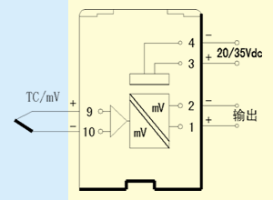
供电 直流独立供电、回路供电; 通道数 单路、双路、一进二出; 功能 信号隔离传输、变送转换、分配、报警设定; 匹配信号开关及本安仪表 开关/接近开关输入;驱动本安阀门、指示灯的本安电源输出; 二线制/三线制变送器输入(包括HART);电流、电压信号输入/输出; 频率量/热电偶/热电阻输入;通信信号输入/输出;火焰探测器输入。 安全隔离 安全侧与危险侧隔离电压250V,ac 绝缘强度 250V,ac;1min(本安端与非本安端) 环境温度 连续使用:-10℃ ~ +50℃;贮存:-40℃ ~ +80℃ 相对湿度 10%–90%RH 大气压:80–110Kpa KN5000系列隔离式安全栅采用统一的外形和安装尺寸,外壳由防爆耐弧塑料压制成型,端子有明显的接线序号,外型薄,色绿。 外形尺寸 宽×高×厚:99mm×114.5mm×22.5m 重量:140g