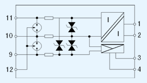
KN5046LB二/三线制变送器、电流源输入式检测端电涌保护型隔离栅,给危险区的变送器提供隔离电源,变送器产生的4-20mA电流信号(也可以是电流源信号)从危险侧隔离传送到安全侧,去驱动安全区负载。
信号)从危险侧隔离传送到安全侧,去驱动安全区负载。
ⅡA:Co=1.016μF,Lo=33.6mH