返回
隔离器
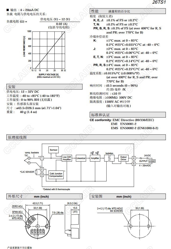
26TS1,26TS1-2/K/BL,26TS1-1,26TS1-2,26TS1-3,26TS1-4,26TS1-5,26TS1-6,热电偶信号变换器(隔离)
2017-06-06 12:43788
信息概况
  • 价格:未填
  • 型号: 26TS1,26TS1-2/K/BL,26TS1-1,26TS1-2,26TS1-3,26TS1-4,26TS1-5,26TS1-6
  • 发货:3天内
联系方式
  • 举报
关闭
同类了解产品