返回
变送器
首页
>
了解产品
>
仪器仪表 自动化
>
压力与隔离及控制
>
变送器
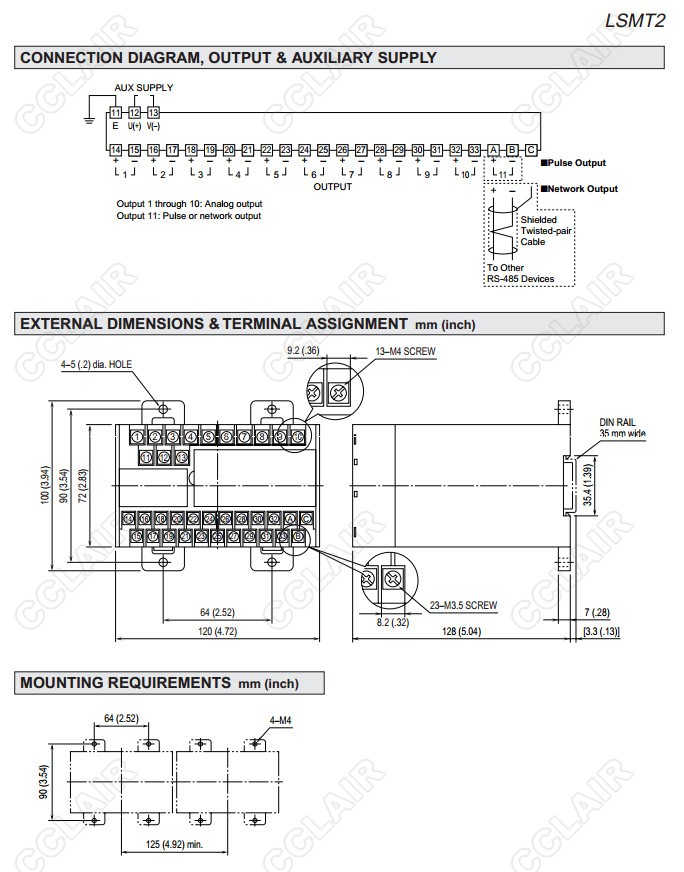
LSMT2,LSMT2-1,LSMT2-2,LSMT2-3,LSMT2-4,多功能电量信号变换器
2017-06-06 11:54
1448
信息概况
价格:
未填
型号:
LSMT2,LSMT2-1,LSMT2-2,LSMT2-3,LSMT2-4
发货:
3天内
发送询价
LSMT2,LSMT2-1,LSMT2-2,LSMT2-3,LSMT2-4,多功能电量信号变换器
联系方式
姓名:销售员(女士)
电话:
13861877712
地区:江苏-无锡市
地址:
无锡市会北路28-135
0
人关注
0
人点赞
举报
评分:
分
扫一扫访问当前网页
复制链接
二维码
短信
邮件
关闭
同类了解产品
TA10,一体式温度变送器
TA11型,一体式温度变送器
TP10型,温度变送器
HSLYH-G,HSLYH-A,HSLYH-P,通用压力变送器
HSL-3051,智能型压差变送器
HSLYH1-G,HSLYH1-A,HSLYH1-P,精小型压力变送器
取消
发送询价
分享好友
了解产品首页
频道列表
我要评论