返回
模块
首页
>
了解产品
>
开关电气 传感器
>
电源类
>
模块
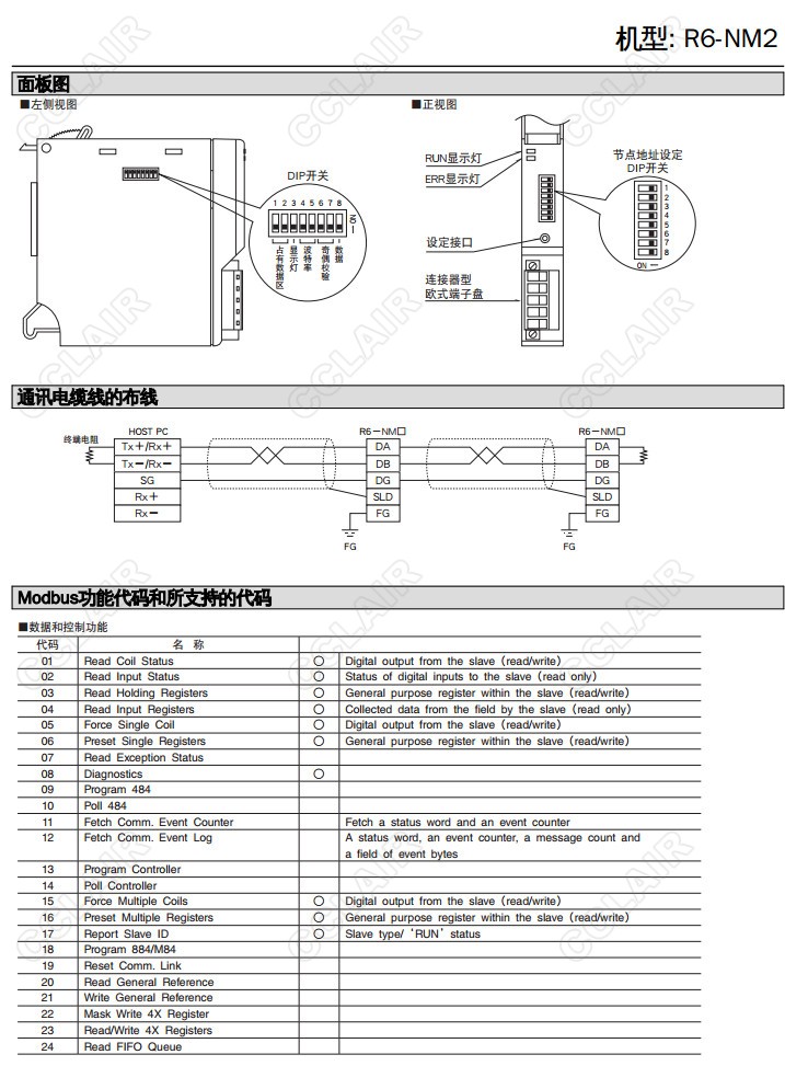
R6-NM2 Modbus通讯模块
2017-06-06 11:46
972
信息概况
价格:
未填
型号:
R6-NM2
发货:
3天内
发送询价
R6-NM2 Modbus通讯模块 64点模拟量信号
联系方式
姓名:销售员(女士)
电话:
13861877712
地区:江苏-无锡市
地址:
无锡市会北路28-135
0
人关注
0
人点赞
举报
评分:
分
扫一扫访问当前网页
复制链接
二维码
短信
邮件
关闭
同类了解产品
SHM73J-12,SHM73J-16,SHM73B-12,标准机械手模块微型系列--平行夹紧长模块
SHM62J,标准机械手模块微型系列--柔性模块NZ式样
SHM61J,标准机械手模块微型系列--柔性模块
SHM72S-SL,SHM72S-ML,SHM72S-LL,SHM72M-SL,SHM72M-ML,SHM72M-LL,标准机械手模块--平行夹紧长模块
SHM71S,SHM71M,SHM71L,标准机械手模块--平行夹紧模块
SHM62S,SHM62M,SHM62L,标准机械手模块--柔性模块NZ式样
取消
发送询价
分享好友
了解产品首页
频道列表
我要评论