返回
压力传感器
首页
>
了解产品
>
开关电气 传感器
>
距离传感器类
>
压力传感器
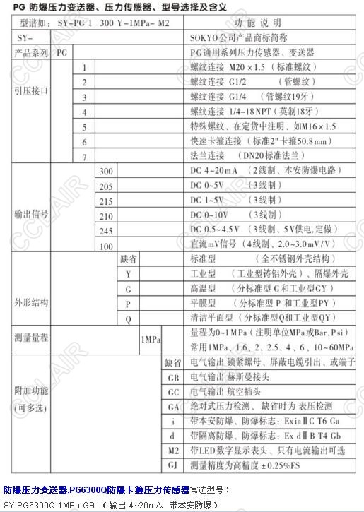
SY-PG6300Q-1MPa-GBi,SY-PG6205Q-1MPa-GBi,PG6300Q防爆卡箍压力传感器
2017-05-31 17:26
911
信息概况
价格:
未填
型号:
SY-PG6300Q-1MPa-GBi,SY-PG6205Q-1MPa-GBi
发货:
3天内
发送询价
SY-PG6300Q-1MPa-GBi,SY-PG6205Q-1MPa-GBi,PG6300Q防爆卡箍压力传感器
SY-PG6300Q-1MPa-GBi,SY-PG6205Q-1MPa-GBi,SY-PG6215Q-1MPa-GBi,SY-PG6210Q-1MPa-GBi,SY-PG6245Q-1MPa-GBi
联系方式
姓名:销售员(女士)
电话:
13861877712
地区:江苏-无锡市
地址:
无锡市会北路28-135
0
人关注
0
人点赞
举报
评分:
分
扫一扫访问当前网页
复制链接
二维码
短信
邮件
关闭
同类了解产品
SY-PG1300G-1MPa,SY-PG1300G-0.5MPa,PG1300G高温压力传感器
SY-PG1300G-0.5MPa,SY-PG1300G-0.6MPa,PG1300G数显压力传感器
SY-PG6300Q-1MPa-GB,SY-PG6300Q-1MPa-GBi,SY-PG6300Q-1MPa-GBM2,PG6300Q卫生型压力传感器
SY-PG6300Q-1MPa-GBM2,PG6300Q数显压力传感器
SY-PG1300PY-0.25MPa,SY-PG1300PY-0.4MPa,PG1300PY平膜压力传感器
SY-PG1300PYM2-0.25MPa,SY-PG1300PYM2-0.4MPa,PG1300PY数显压力传感器
取消
发送询价
分享好友
了解产品首页
频道列表
我要评论