DIN, DIN11-IBF-R7-P1-A4,DIN11-IBF-R8-P2-V1,模拟信号隔离变送器.
0-5K转4-20mA/电位计,电子尺,电阻信号隔离变送器
规 格:DIN
电位计,电子尺,电阻信号隔离变送器
电位计,电子尺,电阻信号隔离变送器(DIN导轨安装式)
主要特性:
>>输 入:输入电位器或电阻信号:0-50Ω/0-100Ω/0-200Ω/
0-500Ω/0-1KΩ/0-2KΩ/0-5KΩ/0-10KΩ
>>输出信号:输出标准电压信号:0-5V/0-10V/1-5V/0-±5V/0-±10V
或输出标准电流信号:0-10mA/0-20mA/4-20mA
>>辅助电源:5V、9V、12V、15V或24V直流单电源供电
>>工业级温度范围: - 45 ~ + 85 ℃
>>精度等级:0.1,0.2级
>>隔离耐压:2500VDC(1mA,60S),输入/输出/电源 三隔离
>>安装方式:DIN35导轨安装
>>外形尺寸:79x69.5x25mm
图1 模块外观图
典型应用:
>>位移测量,角度测量
>>电位计,电子尺信号的隔离变送
>>电阻阻值的测量变送
概述:
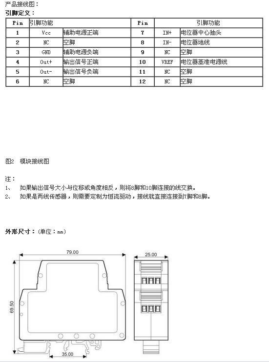
电子尺信号变送器产品主要用于0-5K,0-10K等位移或角度传感器信号的隔离与变送 (传感器需用户自己配),在工业上主要用于信号的隔离与变送。该变送器输入采用恒压驱动,适用于3线传感器。如果是2线传感器,也可以按要求定制成恒流驱动方式。输入、输出和辅助电源之间是完全隔离(三隔离),可以承受2500VDC的隔离耐压。产品采用DIN35国际标准导轨安装方式,体积小。


产品型号:
产品型号:
DIN11-IBF-R1-P1,DIN11-IBF-R1-P2,DIN11-IBF-R1-P3,DIN11-IBF-R1-P4,
DIN11-IBF-R2-P1,DIN11-IBF-R2-P2,DIN11-IBF-R2-P3,DIN11-IBF-R2-P4,
DIN11-IBF-R3-P1,DIN11-IBF-R3-P2,DIN11-IBF-R3-P3,DIN11-IBF-R3-P4,
DIN11-IBF-R4-P1,DIN11-IBF-R4-P2,DIN11-IBF-R4-P3,DIN11-IBF-R4-P4,
DIN11-IBF-R5-P1,DIN11-IBF-R5-P2,DIN11-IBF-R5-P3,DIN11-IBF-R5-P4,
DIN11-IBF-R6-P1,DIN11-IBF-R6-P2,DIN11-IBF-R6-P3,DIN11-IBF-R6-P4,
DIN11-IBF-R7-P1,DIN11-IBF-R7-P2,DIN11-IBF-R7-P3,DIN11-IBF-R7-P4,
DIN11-IBF-R8-P1,DIN11-IBF-R8-P2,DIN11-IBF-R8-P3,DIN11-IBF-R8-P4,