返回
隔离器
首页
>
了解产品
>
仪器仪表 自动化
>
压力与隔离及控制
>
隔离器
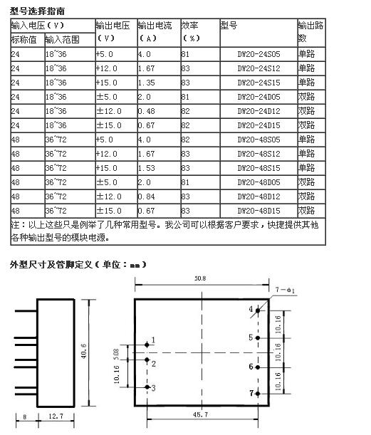
DW20,DW20-24S05, DW20-24S12,DW20-24S15,DW20-24D05, DW20-48S15,宽电压输入隔离稳压输出型
2017-05-27 11:38
898
信息概况
价格:
未填
型号:
DW20,DW20-24S05, DW20-24S12,DW20-24S15,DW20-24D05, DW20-48S15,宽电压输入隔离稳压输出型
发货:
3天内
发送询价
DW20,DW20-24S05, DW20-24S12,DW20-24S15,DW20-24D05, DW20-48S15,宽电压输入隔离稳压输出型
宽电压输入隔离稳压输出型 DW20 系列(2:1)宽范围大功率DC模块
产号说明:
DW 系列20W DC-DC隔离模块电源(2:1)宽电压输入,1KVAC隔离稳压双输出,金属屏蔽封装,输出有过载和短路保护功能,空载时电压不会升高。DW20系列变换器是一种高性能,高密度,高可靠,**率的直流-直流电源模块,是通讯设备、医疗设备、仪器仪表及工业自动化等设备的理想选择。
联系方式
姓名:销售员(女士)
电话:
13861877712
地区:江苏-无锡市
地址:
无锡市会北路28-135
0
人关注
0
人点赞
举报
评分:
分
扫一扫访问当前网页
复制链接
二维码
短信
邮件
关闭
同类了解产品
KCD2-SCD-1,模拟量输出信号调节器
KFD0-CS-2.51P,模拟量输出信号调节器
KFD2-SCD2-1.LK,模拟量输出信号调节器
KFD2-SCD2-2.LK,模拟量输出信号调节器
S1SD-1AI-1U.2,SC(紧凑型)
S1SD-1AI-1U.3,SC(紧凑型)
取消
发送询价
分享好友
了解产品首页
频道列表
我要评论