返回
多功能综合仪表
首页
>
了解产品
>
仪器仪表 自动化
>
电力仪表及计时转速表
>
多功能综合仪表
CZLB-5BNC 视频SPD
2017-05-23 12:18
565
信息概况
价格:
未填
型号:
CZLB-5BNC 视频SPD
发货:
3天内
发送询价
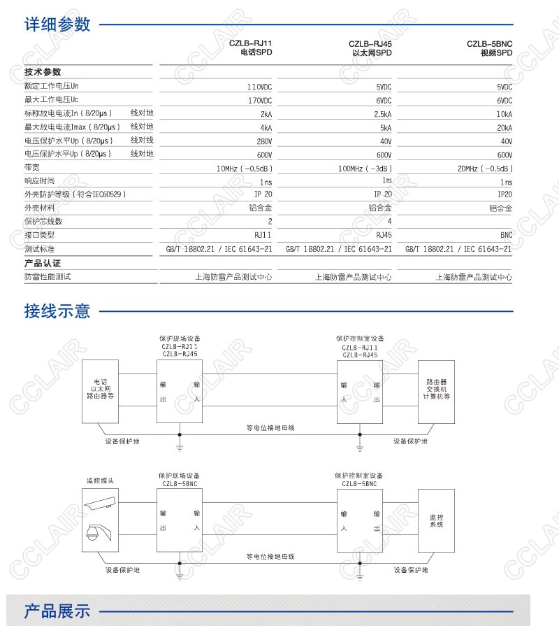
CZLB-5BNC 视频SPD
全铝合金外壳,良好的电磁屏蔽适合电话、ADSL、Ethernet网络等导轨安装.
联系方式
姓名:销售员(女士)
电话:
13861877712
地区:江苏-无锡市
地址:
无锡市会北路28-135
0
人关注
0
人点赞
举报
评分:
分
扫一扫访问当前网页
复制链接
二维码
短信
邮件
关闭
同类了解产品
OBD10M-R2000-4EP-V1V17,OBD30M-R2000-4EP-V1V17-1L,激光扫描器
MW-5A,MW-5A-12,MQ-5A-12,MS-5A-12,MPF-5A-12,MW-5A-34,四位半智能功率表
KR-AV32 32路模拟量采集单元
KR-AA32 32路模拟量采集单元
KR-U32 32路电压信号采集单元
KR-IT14 14路交流电流信号采集单元
取消
发送询价
分享好友
了解产品首页
频道列表
我要评论