MSC307-4044,MSC307-4444,MSC307-C0C3,信号转换隔离器
MSC307 信号转换隔离器
功能
接收各种直流电压或电流信号,经过隔离转换后,变为
用户所需的各种电压或电流信号,输出到DCS或PLC。
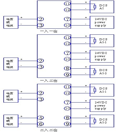
可选1入1出、1入2出(即信号分配)、2入2出。
型号规格及代码
|
MSC307-
|
输入1代码
|
输入2代码
|
输出1代码
|
输出2代码
|
信号类型
|
|
输入1
|
2
|
|
|
|
0~5VDC
|
|
3
|
|
|
|
1~5VDC
|
|
4
|
|
|
|
0~10VDC
|
|
B
|
|
|
|
0~20mADC
|
|
C
|
|
|
|
4~20mADC
|
|
G
|
|
|
|
其他类型
|
|
输入2
|
0
|
|
|
无输入2
|
|
2
|
|
|
0~5VDC
|
|
3
|
|
|
1~5VDC
|
|
4
|
|
|
0~10VDC
|
|
B
|
|
|
0~20mADC
|
|
C
|
|
|
4~20mADC
|
|
G
|
|
|
其他类型
|
|
输出1
|
2
|
|
0~5VDC
|
|
3
|
|
1~5VDC
|
|
4
|
|
0~10VDC
|
|
B
|
|
0~20mADC
|
|
C
|
|
4~20mADC
|
|
G
|
|
其他类型
|
|
输出2
|
0
|
无输出2
|
|
2
|
0~5VDC
|
|
3
|
1~5VDC
|
|
4
|
0~10VDC
|
|
B
|
0~20mADC
|
|
C
|
4~20mADC
|
|
G
|
其他类型
|
工作条件
工作温度:0~50℃ 存储温度:-40~85℃
相对湿度:10~90%RH 大气压力:86~106kPa
MSC307 信号转换隔离器
技术指标
输入阻抗:电流输入,≤100Ω
电压输入,≥500kΩ
输出负载:电流输出,≤350Ω
电压输出,≥5kΩ
转换精度:±0.2%F.S
温度漂移:±0.015% F.S/℃
绝缘强度:输入/输出/电源,≥1500VAC(1min)
绝缘电阻:输入/输出/电源,≥100MΩ(500VDC)
工作电源:24VDC±10%,功耗≤2.5W
安装方法 外形尺寸图
35mm导轨卡装;主机与底座可以插拔分离 120mm*95mm*23mm
应用接线图

MSC307-2020,MSC307-3232,MSC307-4343,
MSC307-B4B4,MSC307-CCCC,MSC307-3CGG,
MSC307-C0CC,MSC307-CCCC,MSC307-C0C0,
MSC307-C040,MSC307-4040,MSC307-40C0,
MSC307-C0C4,MSC307-40B0,MSC307-40CC,