ZK-MSB307,ZK-MSB307-1010,ZK-MSB307,2010,检测端转换隔离安全栅
功能
接收危险场所的线性电压/电流信号,经过隔离,变换成用户指定的线性信号,输出给安全区域;可选1入1出、1入2出、2入2出;限制从本安端子窜入危险场所的能量,从而确保系统本安防爆。
型号规格
|
ZK-MSB307-
|
输入1代码
|
输入2代码
|
输出1代码
|
输出2代码
|
信号
|
|
输入1
|
1
|
|
|
|
0~1VDC
|
|
2
|
|
|
|
0~5VDC
|
|
3
|
|
|
|
1~5VDC
|
|
4
|
|
|
|
0~10VDC
|
|
A
|
|
|
|
0~10mADC
|
|
B
|
|
|
|
0~20mADC
|
|
C
|
|
|
|
4~20mADC
|
|
D
|
|
|
|
两线制4~20mADC
|
|
G
|
|
|
|
其他信号
|
|
输入2
|
0
|
|
|
无输入2
|
|
1
|
|
|
0~1VDC
|
|
2
|
|
|
0~5VDC
|
|
3
|
|
|
1~5VDC
|
|
4
|
|
|
0~10VDC
|
|
A
|
|
|
0~10mADC
|
|
B
|
|
|
0~20mADC
|
|
C
|
|
|
4~20mADC
|
|
D
|
|
|
两线制4~20mADC
|
|
G
|
|
|
其他信号
|
|
输出1
|
1
|
|
0~1VDC
|
|
2
|
|
0~5VDC
|
|
3
|
|
1~5VDC
|
|
4
|
|
0~10VDC
|
|
A
|
|
0~10mADC
|
|
B
|
|
0~20mADC
|
|
C
|
|
4~20mADC
|
|
G
|
|
其他信号
|
|
输出2
|
0
|
无输出2
|
|
1
|
0~1VDC
|
|
2
|
0~5VDC
|
|
3
|
1~5VDC
|
|
4
|
0~10VDC
|
|
A
|
0~10mADC
|
|
B
|
0~20mADC
|
|
C
|
4~20mADC
|
|
G
|
其他信号
|
ZK-MSB307检测端转换隔离安全栅
防爆技术指标
防爆标志:[Exia]ⅡC
认证参数:(端子7/10间、9/12间)
Um=250V Uo=28V Io=93mA
Po=655mW Co=0.05μF Lo=2.4m
其他技术指标
工作电源:24VDC±10%
功 耗:≤1.5W(1路20mA输出)
≤2.0W(2路20mA输出)
≤2.5W(配电器;2路20mA输出)
输入信号:直流电流或电压信号,危险区
输入阻抗:电流输入≤200Ω;电压输入≥5KΩ
配电电压:16~26V;仅限配电器
配电保护:最大短路电流,30mA
最高开路电压,28V
输出信号:直流电流或电压信号,安全区
输出负载:电流输出≤350Ω;电压输出≥5KΩ
转换精度:±0.1%F.S
温度漂移:±0.01% F.S/℃
绝缘强度:输入/输出,≥2000VAC(1min)
输入/电源,≥2000VAC(1min)
输出/电源,≥1000VAC(1min)
绝缘电阻:输入/输出/电源,≥100MΩ(500VDC)
工作条件
工作温度:0~50℃
存储温度:-40~85℃
相对湿度:10~90%RH
大气压力:86~106kPa
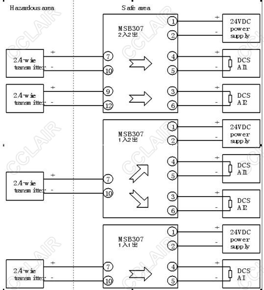
应用接线图

端子7、10 : 输入1的正、负极 端子9、12 : 输入2的正、负极
端子8、11 : 不连接 端子1、2 : 工作电源的正、负极
端子4、5 : 输出1的正、负极 端子3、6 : 输出2的正、负极
ZK-MSB307-3010,ZK-MSB307-4010,ZK-MSB307-A010,
ZK-MSB307-B010,ZK-MSB307-C010,ZK-MSB307-D010,
ZK-MSB307-G010,ZK-MSB307-2121,ZK-MSB307-3121,
ZK-MSB307-4121,ZK-MSB307-A121,ZK-MSB307-B121,
ZK-MSB307-C121,ZK-MSB307-D121,ZK-MSB307-G121,
ZK-MSB307-3232,ZK-MSB307-4232,ZK-MSB307-A232,
ZK-MSB307-B232,ZK-MSB307-C232,ZK-MSB307-D232,