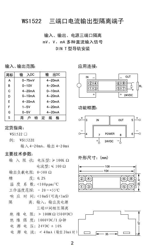
WS1522,WS1522-141,三端口电流信号隔离器。
WS1522信号隔离器,电流电压输出型隔离变换端子,直流电流变送器,隔离模块,为您实现电源、输入、输出三隔离,为您解决接地环路、测量回路、信号干扰等影响设备运行的问题。
信号隔离器输入范围:4-20mA、0-10V、0-20mA、0-5V、0-75mV等用户特定规格
信号隔离器输出范围:4-20mA、0-10V、0-20mA等用户需要的标准信号
信号隔离器辅助电源:DC24V,精度:0.2级
WS1522信号隔离器详细技术参数及接线方式:



WS1522-141,WS15624-142,WS1522-144,WS1522-146,
WS1522-151,WS15624-152,WS1522-154,WS1522-156,
WS1522-161,WS15624-162,WS1522-164,WS1522-166,
WS1522-171,WS15624-172,WS1522-174,WS1522-176,
WS1522-241,WS15624-242,WS1522-244,WS1522-246,
WS1522-251,WS15624-252,WS1522-254,WS1522-256,
WS1522-261,WS15624-262,WS1522-264,WS1522-266,
WS1522-271,WS15624-272,WS1522-274,WS1522-276