返回
记录仪
首页
>
了解产品
>
仪器仪表 自动化
>
智能与温度仪表
>
记录仪
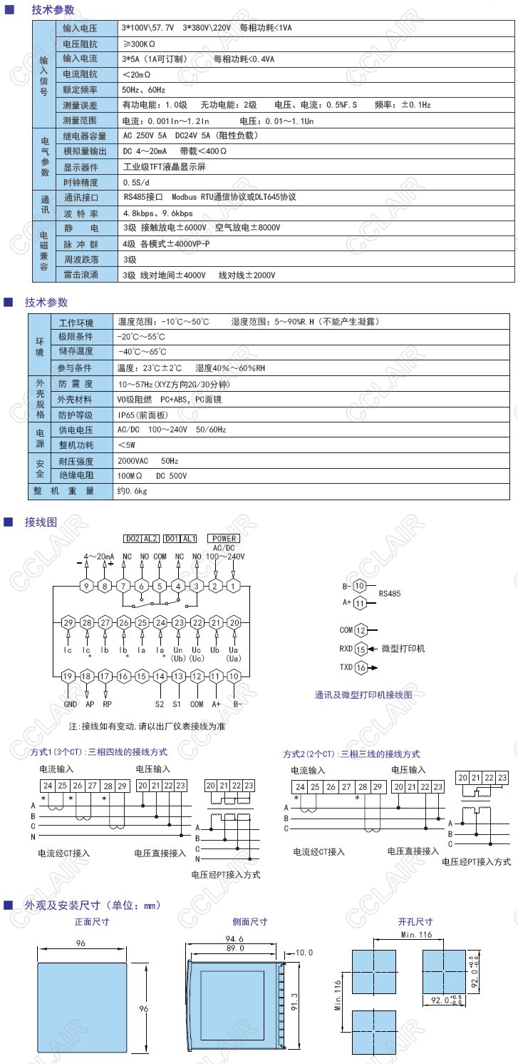
DR9-DC38BA,DR9-RC38BA,DR9三相多功能电力记录仪
2017-04-20 22:29
1044
信息概况
价格:
未填
型号:
DR9-DC38BA,DR9-RC38BA
发货:
3天内
发送询价
DR9-DC38BA,DR9-RC38BA,DR9三相多功能电力记录仪
联系方式
姓名:销售员(女士)
电话:
13861877712
地区:江苏-无锡市
地址:
无锡市会北路28-135
0
人关注
0
人点赞
举报
评分:
分
扫一扫访问当前网页
复制链接
二维码
短信
邮件
关闭
同类了解产品
DST-12300,计数器
DST-27100,液晶控制仪/记录仪
DST-27700,液晶多回路控制仪/记录仪
DST-28100,DST-28700,2/48回路彩色记录仪
DST-27300,液晶PID调节仪/记录仪
DST-27400,四回路液晶PID调节仪/记录仪
取消
发送询价
分享好友
了解产品首页
频道列表
我要评论