WRB-120-T2,WRJ-130,WRE2-330,WRK-630/PS-05,WRE-530,装配热电偶
概述
装配热电偶通常和显示仪表、记录仪表、电子计算等配套使用。直接测量各种生产过程中的0°C~1300°C范围内液体、蒸汽和气体介质以及固体表面温度。 主要特点有:装配简单,更换方便;压簧式感温元件,抗振性能好;测温范围大;机械强度高,耐压性能好
装配式热电偶通常是由热电极绝缘材料保护管和接线盒等部件组成。其中两热电极一端焊接在一起,起感温元件的作用,是热电偶的核心部份。绝缘材料的作用是将两热电极隔离开,防止短路现像。保护管的作用是使热电极和被测介质不直接接触,此外还起固定和支撑热电偶感温元件的作用。接线盒的作用是用来固定连接感温元件与外接导线,并保护感温元件免受外界气氛侵蚀。
产品执行标准:IEC584、IEC1515、GB/T16839-1997、JB/T5582-91
装配热电偶热电偶在环境温度为20±15°C,相对湿度不大于80%,试验电压为500±50V(直流)电极与外套管之间的绝缘电阻>1000Ω.m。
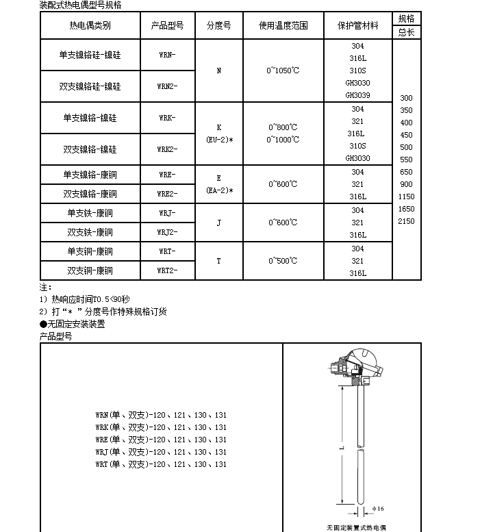
WR装配式热电偶基本型号
统一设计型热电偶

WRB-120-T2,WRB-121-T2,WRB2-120-T2,WRB2-121-T2,WRS-120-T1
WRS-121-T1,WRS2-120-T1,WRS2-121-T1,WRK-122-T1,WRK-123-T1
WRK2-121-T1,WRB-130-T2,WRB-131-T2,WRB2-130-T2,WRB2-131-T2
WRS-130-T1,WRS-131-T1,WRS2-130-T1,WRS2-131-T1,WRK-133-T1
WRK2-133-T1,WRN-120,WRN-121,WRN-130,WRN-131
WRN2-120,WRN2-121,WRN2-130,WRN2-131
WRK-120,WRK-121,WRK-130,WRK-131
WRK2-120,WRK2-121,WRK2-130,WRK2-131
WRE-120,WRE-121,WRE-130,WRE-131
WRE2-120,WRE2-121,WRE2-130,WRE2-131
WRJ-120,WRJ-121,WRJ-130,WRJ-131
WRJ2-120,WRJ2-121,WRJ2-130,WRJ2-131
WRT-120,WRT-121,WRT-130,WRT-131
WRT2-120,WRT2-121,WRT2-130,WRT2-131
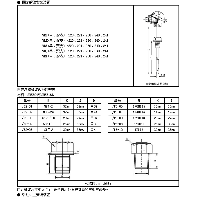
WRN-220,WRN-221,WRN-230,WRN-240,WRN-241
WRN2-220,WRN2-221,WRN2-230,WRN2-240,WRN2-241
WRK-220,WRK-221,WRK-230,WRK-240,WRK-241
WRK2-220,WRK2-221,WRK2-230,WRK2-240,WRK2-241
WRE-220,WRE-221,WRE-230,WRE-240,WRE-241
WRE2-220,WRE2-221,WRE2-230,WRE2-240,WRE2-241
WRJ-220,WRJ-221,WRJ-230,WRJ-240,WRJ-241
WRJ2-220,WRJ2-221,WRJ2-230,WRJ2-240,WRJ2-241
WRT-220,WRT-221,WRT-230,WRT-240,WRT-241
WRT2-220,WRT2-221,WRT2-230,WRT2-240,WRT2-241
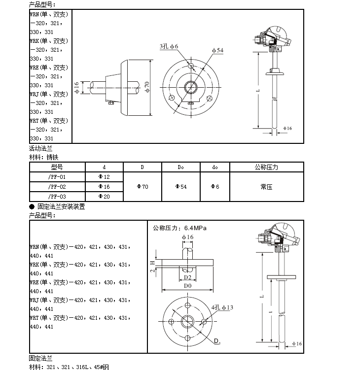
WRN-320,WRN-321,WRN-330,WRN-331
WRN2-320,WRN2-321,WRN2-330,WRN2-331
WRK-320,WRK-321,WRK-330,WRK-331
WRK2-320,WRK2-321,WRK2-330,WRK2-331
WRE-320,WRE-321,WRE-330,WRE-331
WRE2-320,WRE2-321,WRE2-330,WRE2-331
WRJ-320,WRJ-321,WRJ-330,WRJ-331
WRJ2-320,WRJ2-321,WRJ2-330,WRJ2-331
WRT-320,WRT-321,WRT-330,WRT-331
WRT2-320,WRT2-321,WRT2-330,WRT2-331
WRN-420,WRN-421,WRN-430,WRN-431,WRN-440,WRN-441
WRN2-420,WRN2-421,WRN2-430,WRN2-431,WRN2-440,WRN2-441
WRK-420,WRK-421,WRK-430,WRK-431,WRK-440,WRK-441
WRK2-420,WRK2-421,WRK2-430,WRK2-431,WRK2-440,WRK2-441
WRE-420,WRE-421,WRE-430,WRE-431,WRE-440,WRE-441
WRE2-420,WRE2-421,WRE2-430,WRE2-431,WRE2-440,WRE2-441
WRJ-420,WRJ-421,WRJ-430,WRJ-431,WRJ-440,WRJ-441
WRJ2-420,WRJ2-421,WRJ2-430,WRJ2-431,WRJ2-440,WRJ2-441
WRT-420,WRT-421,WRT-430,WRT-431,WRT-440,WRT-441
WRT2-420,WRT2-421,WRT2-430,WRT2-431,WRT2-440,WRT2-441
WRK-630/PS-01,WRK-630/PS-02,WRK-630/PS-05,WRK2-630/PS-02,WRK2-630/PS-05
WRE-630/PS-02,WRE-630/PS-05,WRE2-630/PS-01,WRE2-630/PS-02,WRE2-630/PS-05
WRK-624,WRK-625,WRE-624,WRE-625,WRK-530 WRK2-530,WRE-530,WRE2-530