WRN-236,WRN-636,WRNK-54,WZPK2-54,可卸式热电偶、热电阻
WRE-236,WRE-636,WREK-54,WZPK-74
WZP-236,WZP-636,WRFK-54,WZPK2-74
WRN-336,WRN-736,WRCK-54,WZPK-84
WRE-336,WRE-736,WRNK-74,WZPK2-84
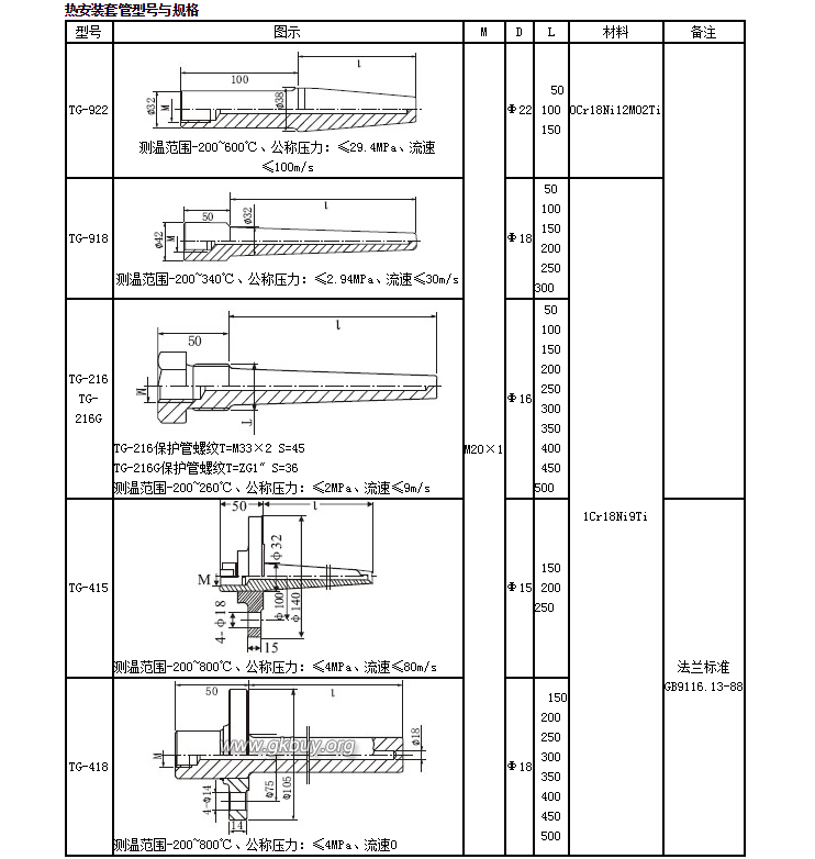
WZP-336,WZP-736,WREK-74,TG-922
WRN-436,WRN-836,WRFK-74,TG-918
WRE-436,WRE-836,WRCK-74,TG-216
WZP-436,WZP-836,WRNK-84,TG-216G
WRN-536,WRN-936,WREK-84,TG-415
WRE-536,WRE-936,WRFK-84,TG-418
WZP-536,WZP-936,WRCK-84,WZPK-54
可卸式热电偶、热电阻上节带可动式固定螺纹,可在360°方向任意安装。维修时可拉上节及元部分,不需卸压停机,故有使用方便的优点。
特点
可配高、中、低各种安装套管。
压簧式感温元件
