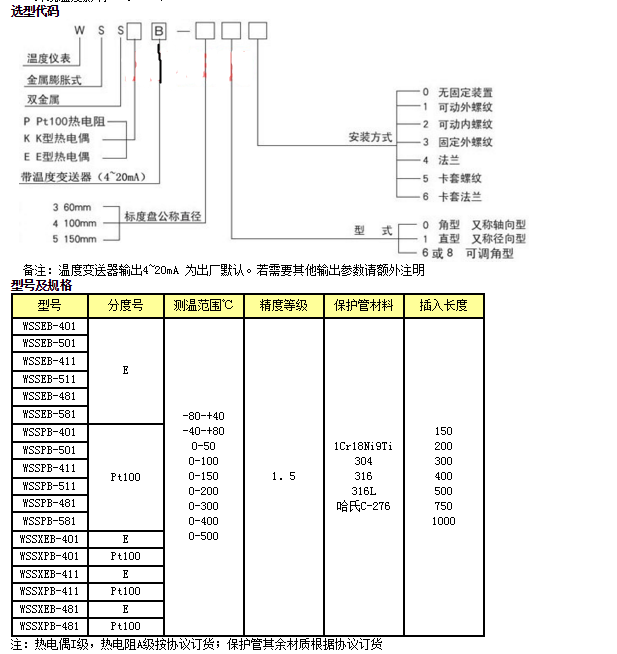
WSSEB-581,WSSEB-401,WSSPB-481,WSSXPB-411,双金属温度计
WSSPB-401,WSSEB-501,WSSPB-581,WSSXEB-481
WSSPB-501,WSSEB-411,WSSXEB-401,WSSXPB-481
WSSPB-411,WSSEB-511,WSSXPB-401,
WSSPB-511,WSSEB-481,WSSXEB-411,
双全属温度计的温度检测元件是由两种不同热膨胀系数的全属片结合在一起制成的,其一端焊接固定,另一端连接指针轴。当温度变化时,双全属元件曲率产生交化, 通过指针轴带动指针偏转,从而在刻度盘上指示温度的变化。作为就地显示,应优先选用双全属温度计。
热电偶是利用一对不同的导电材料,其一端相互连接,感受被测温度,另一端与测量仪表相连,利用热电效应实现温度测量的一种温度传感器。
热电阻是利用全属电阻值随温度变化的特性实现温度测量的一种温度传感器。
作为双全属温度计系列,它包括了双全属热电阻(偶)一体化温度计和双全属热电阻(偶)一体化温度交送器。将热电阻(偶)和双全属元件安装在同一个保护管内做成双全属热电阻(偶)一体化温度计;将热电阻(偶)和双全属元件安装在同一个保护管内,并将温度变送模块安装在其上的接线盒里,做成双全属热电阻(偶)一体化温度变送器。
特点
抽芯式双全属温度计,表头与温度检测元件连在一起,更换方便,无需停车。
万向型(可调角型)双全属温度计,可根据需要调整为径向、轴向或任意角度,便于工程设计和使用。
电接点双全属温度计采用齿轮传动式调整设定值,并具有良好的密封性和防震作用;对于防爆型电接点双全属温度计,调整设定值时无需打开接线盒。
双全属热电阻(偶)一体化温度计,除现场指示外,还可传输热电阻和热电偶信号。
双全属热电阻(偶)一体化温度变送器,除现场指示外,还可输出4~20mA信号, 根据需要,还可增加HART信号。
主要技术指标
测量范围:-60~500℃
显示精度等级:1.5级
远传电信号偏差:
a. 分度号:E(镍铬—铜镍)允许偏差±2.5℃或0.75%t
b. 分度号:K(镍铬—镍硅)允许偏差±2.5℃或0.75%t
c. 分度号:Pt100(铂电阻)允许偏差:
A级; ±(0.15+0.002∣t∣)
B级; ±(0.30+0.005∣t∣)
d. 带温度变送器的基本误差:Δ=Δ1±0.5%FS
Δ1为热电偶(阻)允差对应输出基本误差
FS为测量范围
温度变送器传送方式:二线制(4~20mA)
变送器工作电源电压最低12V,最高35V,额定工作电压24V
正常工作环境:
a. 环境温度:-25℃~80℃(危险场所不高于70℃)
b. 相对湿度:5%~95%
c. 机械振动:f≤55Hz,振幅<0.15mm
d. 周围空气中不含有引起变送器腐蚀的介质
度≤0.05%/1℃
