SWP-LED系列交流电量集中测量显示控制仪用于测量采样电压和电流互感器信号,测量频率,电压和电流以及功率因数和单相有功功率P有=U·I·CosΦ或三相有功功率P有= ![]()
一、仪表类型
二、 主要特点
1、可随意改变仪表的输入信号量程。采用最新无跳线技术,只需设定仪表内部参数,即可适应现场要求。
2、可带有一路模拟量变送输出或继电器报警输出,适用于各种测量控制。
3、采用全隔离技术。
4、SWP-E系列仪表能够同时显示4组交流电工参数。
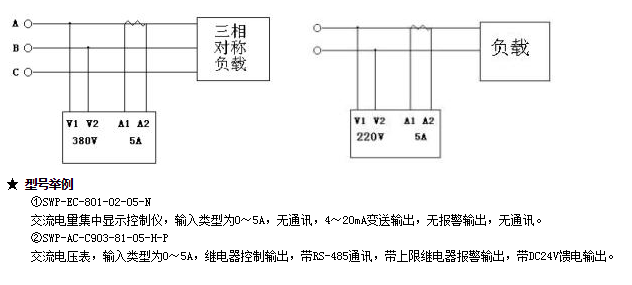
三、仪表外形及接线图(以下为基本配线,特殊订货请参见随机接线图)




SWP-EC-801-02-05-N,SWP-AC-C903-81-05-H-P,
SWP-EC-401-00,SWP-EC-401-02,SWP-EC-401-03,SWP-EC-401-04,SWP-EC-401-05
SWP-EC-401-20,SWP-EC-401-22,SWP-EC-401-23,SWP-EC-401-24,SWP-EC-401-25
SWP-EC-401-40,SWP-EC-401-42,SWP-EC-401-43,SWP-EC-401-44,SWP-EC-401-45
SWP-EC-401-80,SWP-EC-401-82,SWP-EC-401-83,SWP-EC-401-84,SWP-EC-401-85
SWP-EC-403-00,SWP-EC-403-02,SWP-EC-403-03,SWP-EC-403-04,SWP-EC-403-05
SWP-EC-403-20,SWP-EC-403-22,SWP-EC-403-23,SWP-EC-403-24,SWP-EC-403-25
SWP-EC-403-40,SWP-EC-403-42,SWP-EC-403-43,SWP-EC-403-44,SWP-EC-403-45
SWP-EC-403-80,SWP-EC-403-82,SWP-EC-403-83,SWP-EC-403-84,SWP-EC-403-85
SWP-EC-801-00,SWP-EC-801-02,SWP-EC-801-03,SWP-EC-801-04,SWP-EC-801-05
SWP-EC-801-20,SWP-EC-801-22,SWP-EC-801-23,SWP-EC-801-24,SWP-EC-801-25
SWP-EC-801-40,SWP-EC-801-42,SWP-EC-801-43,SWP-EC-801-44,SWP-EC-801-45
SWP-EC-801-80,SWP-EC-801-82,SWP-EC-801-83,SWP-EC-801-84,SWP-EC-801-85
SWP-EC-803-00,SWP-EC-803-02,SWP-EC-803-03,SWP-EC-803-04,SWP-EC-803-05
SWP-EC-803-20,SWP-EC-803-22,SWP-EC-803-23,SWP-EC-803-24,SWP-EC-803-25
SWP-EC-803-40,SWP-EC-803-42,SWP-EC-803-43,SWP-EC-803-44,SWP-EC-803-45
SWP-EC-803-80,SWP-EC-803-82,SWP-EC-803-83,SWP-EC-803-84,SWP-EC-803-85
SWP-EC-901-00,SWP-EC-901-02,SWP-EC-901-03,SWP-EC-901-04,SWP-EC-901-05
SWP-EC-901-20,SWP-EC-901-22,SWP-EC-901-23,SWP-EC-901-24,SWP-EC-901-25
SWP-EC-901-40,SWP-EC-901-42,SWP-EC-901-43,SWP-EC-901-44,SWP-EC-901-45
SWP-EC-901-80,SWP-EC-901-82,SWP-EC-901-83,SWP-EC-901-84,SWP-EC-901-85
SWP-EC-903-00,SWP-EC-903-02,SWP-EC-903-03,SWP-EC-903-04,SWP-EC-903-05
SWP-EC-903-20,SWP-EC-903-22,SWP-EC-903-23,SWP-EC-903-24,SWP-EC-903-25
SWP-EC-903-40,SWP-EC-903-42,SWP-EC-903-43,SWP-EC-903-44,SWP-EC-903-45
SWP-EC-903-80,SWP-EC-903-82,SWP-EC-903-83,SWP-EC-903-84,SWP-EC-903-85
SWP-ES-401-00,SWP-ES-401-02,SWP-ES-401-03,SWP-ES-401-04,SWP-ES-401-05
SWP-ES-401-20,SWP-ES-401-22,SWP-ES-401-23,SWP-ES-401-24,SWP-ES-401-25
SWP-ES-401-40,SWP-ES-401-42,SWP-ES-401-43,SWP-ES-401-44,SWP-ES-401-45
SWP-ES-401-80,SWP-ES-401-82,SWP-ES-401-83,SWP-ES-401-84,SWP-ES-401-85
SWP-ES-403-00,SWP-ES-403-02,SWP-ES-403-03,SWP-ES-403-04,SWP-ES-403-05
SWP-ES-403-20,SWP-ES-403-22,SWP-ES-403-23,SWP-ES-403-24,SWP-ES-403-25
SWP-ES-403-40,SWP-ES-403-42,SWP-ES-403-43,SWP-ES-403-44,SWP-ES-403-45
SWP-ES-403-80,SWP-ES-403-82,SWP-ES-403-83,SWP-ES-403-84,SWP-ES-403-85
SWP-ES-801-00,SWP-ES-801-02,SWP-ES-801-03,SWP-ES-801-04,SWP-ES-801-05
SWP-ES-801-20,SWP-ES-801-22,SWP-ES-801-23,SWP-ES-801-24,SWP-ES-801-25
SWP-ES-801-40,SWP-ES-801-42,SWP-ES-801-43,SWP-ES-801-44,SWP-ES-801-45
SWP-ES-801-80,SWP-ES-801-82,SWP-ES-801-83,SWP-ES-801-84,SWP-ES-801-85
SWP-ES-803-00,SWP-ES-803-02,SWP-ES-803-03,SWP-ES-803-04,SWP-ES-803-05
SWP-ES-803-20,SWP-ES-803-22,SWP-ES-803-23,SWP-ES-803-24,SWP-ES-803-25
SWP-ES-803-40,SWP-ES-803-42,SWP-ES-803-43,SWP-ES-803-44,SWP-ES-803-45
SWP-ES-803-80,SWP-ES-803-82,SWP-ES-803-83,SWP-ES-803-84,SWP-ES-803-85
SWP-ES-901-00,SWP-ES-901-02,SWP-ES-901-03,SWP-ES-901-04,SWP-ES-901-05
SWP-ES-901-20,SWP-ES-901-22,SWP-ES-901-23,SWP-ES-901-24,SWP-ES-901-25
SWP-ES-901-40,SWP-ES-901-42,SWP-ES-901-43,SWP-ES-901-44,SWP-ES-901-45
SWP-ES-901-80,SWP-ES-901-82,SWP-ES-901-83,SWP-ES-901-84,SWP-ES-901-85
SWP-ES-903-00,SWP-ES-903-02,SWP-ES-903-03,SWP-ES-903-04,SWP-ES-903-05
SWP-ES-903-20,SWP-ES-903-22,SWP-ES-903-23,SWP-ES-903-24,SWP-ES-903-25
SWP-ES-903-40,SWP-ES-903-42,SWP-ES-903-43,SWP-ES-903-44,SWP-ES-903-45
SWP-ES-903-80,SWP-ES-903-82,SWP-ES-903-83,SWP-ES-903-84,SWP-ES-903-85
SWP-WC-401-00,SWP-WC-401-02,SWP-WC-401-03,SWP-WC-401-04,SWP-WC-401-05
SWP-WC-401-20,SWP-WC-401-22,SWP-WC-401-23,SWP-WC-401-24,SWP-WC-401-25
SWP-WC-401-40,SWP-WC-401-42,SWP-WC-401-43,SWP-WC-401-44,SWP-WC-401-45
SWP-WC-401-80,SWP-WC-401-82,SWP-WC-401-83,SWP-WC-401-84,SWP-WC-401-85
SWP-WC-403-00,SWP-WC-403-02,SWP-WC-403-03,SWP-WC-403-04,SWP-WC-403-05
SWP-WC-403-20,SWP-WC-403-22,SWP-WC-403-23,SWP-WC-403-24,SWP-WC-403-25
SWP-WC-403-40,SWP-WC-403-42,SWP-WC-403-43,SWP-WC-403-44,SWP-WC-403-45
SWP-WC-403-80,SWP-WC-403-82,SWP-WC-403-83,SWP-WC-403-84,SWP-WC-403-85
SWP-WC-801-00,SWP-WC-801-02,SWP-WC-801-03,SWP-WC-801-04,SWP-WC-801-05
SWP-WC-801-20,SWP-WC-801-22,SWP-WC-801-23,SWP-WC-801-24,SWP-WC-801-25
SWP-WC-801-40,SWP-WC-801-42,SWP-WC-801-43,SWP-WC-801-44,SWP-WC-801-45
SWP-WC-801-80,SWP-WC-801-82,SWP-WC-801-83,SWP-WC-801-84,SWP-WC-801-85
SWP-WC-803-00,SWP-WC-803-02,SWP-WC-803-03,SWP-WC-803-04,SWP-WC-803-05
SWP-WC-803-20,SWP-WC-803-22,SWP-WC-803-23,SWP-WC-803-24,SWP-WC-803-25
SWP-WC-803-40,SWP-WC-803-42,SWP-WC-803-43,SWP-WC-803-44,SWP-WC-803-45
SWP-WC-803-80,SWP-WC-803-82,SWP-WC-803-83,SWP-WC-803-84,SWP-WC-803-85
SWP-WC-901-00,SWP-WC-901-02,SWP-WC-901-03,SWP-WC-901-04,SWP-WC-901-05
SWP-WC-901-20,SWP-WC-901-22,SWP-WC-901-23,SWP-WC-901-24,SWP-WC-901-25
SWP-WC-901-40,SWP-WC-901-42,SWP-WC-901-43,SWP-WC-901-44,SWP-WC-901-45
SWP-WC-901-80,SWP-WC-901-82,SWP-WC-901-83,SWP-WC-901-84,SWP-WC-901-85
SWP-WC-903-00,SWP-WC-903-02,SWP-WC-903-03,SWP-WC-903-04,SWP-WC-903-05
SWP-WC-903-20,SWP-WC-903-22,SWP-WC-903-23,SWP-WC-903-24,SWP-WC-903-25
SWP-WC-903-40,SWP-WC-903-42,SWP-WC-903-43,SWP-WC-903-44,SWP-WC-903-45
SWP-WC-903-80,SWP-WC-903-82,SWP-WC-903-83,SWP-WC-903-84,SWP-WC-903-85
SWP-WS-401-00,SWP-WS-401-02,SWP-WS-401-03,SWP-WS-401-04,SWP-WS-401-05
SWP-WS-401-20,SWP-WS-401-22,SWP-WS-401-23,SWP-WS-401-24,SWP-WS-401-25
SWP-WS-401-40,SWP-WS-401-42,SWP-WS-401-43,SWP-WS-401-44,SWP-WS-401-45
SWP-WS-401-80,SWP-WS-401-82,SWP-WS-401-83,SWP-WS-401-84,SWP-WS-401-85
SWP-WS-403-00,SWP-WS-403-02,SWP-WS-403-03,SWP-WS-403-04,SWP-WS-403-05
SWP-WS-403-20,SWP-WS-403-22,SWP-WS-403-23,SWP-WS-403-24,SWP-WS-403-25
SWP-WS-403-40,SWP-WS-403-42,SWP-WS-403-43,SWP-WS-403-44,SWP-WS-403-45
SWP-WS-403-80,SWP-WS-403-82,SWP-WS-403-83,SWP-WS-403-84,SWP-WS-403-85
SWP-WS-801-00,SWP-WS-801-02,SWP-WS-801-03,SWP-WS-801-04,SWP-WS-801-05
SWP-WS-801-20,SWP-WS-801-22,SWP-WS-801-23,SWP-WS-801-24,SWP-WS-801-25
SWP-WS-801-40,SWP-WS-801-42,SWP-WS-801-43,SWP-WS-801-44,SWP-WS-801-45
SWP-WS-801-80,SWP-WS-801-82,SWP-WS-801-83,SWP-WS-801-84,SWP-WS-801-85
SWP-WS-803-00,SWP-WS-803-02,SWP-WS-803-03,SWP-WS-803-04,SWP-WS-803-05
SWP-WS-803-20,SWP-WS-803-22,SWP-WS-803-23,SWP-WS-803-24,SWP-WS-803-25
SWP-WS-803-40,SWP-WS-803-42,SWP-WS-803-43,SWP-WS-803-44,SWP-WS-803-45
SWP-WS-803-80,SWP-WS-803-82,SWP-WS-803-83,SWP-WS-803-84,SWP-WS-803-85
SWP-WS-901-00,SWP-WS-901-02,SWP-WS-901-03,SWP-WS-901-04,SWP-WS-901-05
SWP-WS-901-20,SWP-WS-901-22,SWP-WS-901-23,SWP-WS-901-24,SWP-WS-901-25
SWP-WS-901-40,SWP-WS-901-42,SWP-WS-901-43,SWP-WS-901-44,SWP-WS-901-45
SWP-WS-901-80,SWP-WS-901-82,SWP-WS-901-83,SWP-WS-901-84,SWP-WS-901-85
SWP-WS-903-00,SWP-WS-903-02,SWP-WS-903-03,SWP-WS-903-04,SWP-WS-903-05
SWP-WS-903-20,SWP-WS-903-22,SWP-WS-903-23,SWP-WS-903-24,SWP-WS-903-25
SWP-WS-903-40,SWP-WS-903-42,SWP-WS-903-43,SWP-WS-903-44,SWP-WS-903-45
SWP-ACC-401-00,SWP-ACC-401-02,SWP-ACC-401-03,SWP-ACC-401-04,SWP-ACC-401-05
SWP-ACC-401-20,SWP-ACC-401-22,SWP-ACC-401-23,SWP-ACC-401-24,SWP-ACC-401-25
SWP-ACC-401-40,SWP-ACC-401-42,SWP-ACC-401-43,SWP-ACC-401-44,SWP-ACC-401-45
SWP-ACC-401-80,SWP-ACC-401-82,SWP-ACC-401-83,SWP-ACC-401-84,SWP-ACC-401-85
SWP-ACC-403-00,SWP-ACC-403-02,SWP-ACC-403-03,SWP-ACC-403-04,SWP-ACC-403-05
SWP-ACC-403-20,SWP-ACC-403-22,SWP-ACC-403-23,SWP-ACC-403-24,SWP-ACC-403-25
SWP-ACC-403-40,SWP-ACC-403-42,SWP-ACC-403-43,SWP-ACC-403-44,SWP-ACC-403-45
SWP-ACC-403-80,SWP-ACC-403-82,SWP-ACC-403-83,SWP-ACC-403-84,SWP-ACC-403-85
SWP-ACC-801-00,SWP-ACC-801-02,SWP-ACC-801-03,SWP-ACC-801-04,SWP-ACC-801-05
SWP-ACC-801-20,SWP-ACC-801-22,SWP-ACC-801-23,SWP-ACC-801-24,SWP-ACC-801-25
SWP-ACC-801-40,SWP-ACC-801-42,SWP-ACC-801-43,SWP-ACC-801-44,SWP-ACC-801-45
SWP-ACC-801-80,SWP-ACC-801-82,SWP-ACC-801-83,SWP-ACC-801-84,SWP-ACC-801-85
SWP-ACC-803-00,SWP-ACC-803-02,SWP-ACC-803-03,SWP-ACC-803-04,SWP-ACC-803-05
SWP-ACC-803-20,SWP-ACC-803-22,SWP-ACC-803-23,SWP-ACC-803-24,SWP-ACC-803-25
SWP-ACC-803-40,SWP-ACC-803-42,SWP-ACC-803-43,SWP-ACC-803-44,SWP-ACC-803-45
SWP-ACC-803-80,SWP-ACC-803-82,SWP-ACC-803-83,SWP-ACC-803-84,SWP-ACC-803-85
SWP-ACC-901-00,SWP-ACC-901-02,SWP-ACC-901-03,SWP-ACC-901-04,SWP-ACC-901-05
SWP-ACC-901-20,SWP-ACC-901-22,SWP-ACC-901-23,SWP-ACC-901-24,SWP-ACC-901-25
SWP-ACC-901-40,SWP-ACC-901-42,SWP-ACC-901-43,SWP-ACC-901-44,SWP-ACC-901-45
SWP-ACC-901-80,SWP-ACC-901-82,SWP-ACC-901-83,SWP-ACC-901-84,SWP-ACC-901-85
SWP-ACC-903-00,SWP-ACC-903-02,SWP-ACC-903-03,SWP-ACC-903-04,SWP-ACC-903-05
SWP-ACC-903-20,SWP-ACC-903-22,SWP-ACC-903-23,SWP-ACC-903-24,SWP-ACC-903-25
SWP-ACC-903-40,SWP-ACC-903-42,SWP-ACC-903-43,SWP-ACC-903-44,SWP-ACC-903-45
SWP-ACC-903-80,SWP-ACC-903-82,SWP-ACC-903-83,SWP-ACC-903-84,SWP-ACC-903-85
SWP-ACS-401-00,SWP-ACS-401-02,SWP-ACS-401-03,SWP-ACS-401-04,SWP-ACS-401-05
SWP-ACS-401-20,SWP-ACS-401-22,SWP-ACS-401-23,SWP-ACS-401-24,SWP-ACS-401-25
SWP-ACS-401-40,SWP-ACS-401-42,SWP-ACS-401-43,SWP-ACS-401-44,SWP-ACS-401-45
SWP-ACS-401-80,SWP-ACS-401-82,SWP-ACS-401-83,SWP-ACS-401-84,SWP-ACS-401-85
SWP-ACS-403-00,SWP-ACS-403-02,SWP-ACS-403-03,SWP-ACS-403-04,SWP-ACS-403-05
SWP-ACS-403-20,SWP-ACS-403-22,SWP-ACS-403-23,SWP-ACS-403-24,SWP-ACS-403-25
SWP-ACS-403-40,SWP-ACS-403-42,SWP-ACS-403-43,SWP-ACS-403-44,SWP-ACS-403-45
SWP-ACS-403-80,SWP-ACS-403-82,SWP-ACS-403-83,SWP-ACS-403-84,SWP-ACS-403-85
SWP-ACS-801-00,SWP-ACS-801-02,SWP-ACS-801-03,SWP-ACS-801-04,SWP-ACS-801-05
SWP-ACS-801-20,SWP-ACS-801-22,SWP-ACS-801-23,SWP-ACS-801-24,SWP-ACS-801-25
SWP-ACS-801-40,SWP-ACS-801-42,SWP-ACS-801-43,SWP-ACS-801-44,SWP-ACS-801-45
SWP-ACS-801-80,SWP-ACS-801-82,SWP-ACS-801-83,SWP-ACS-801-84,SWP-ACS-801-85
SWP-ACS-803-00,SWP-ACS-803-02,SWP-ACS-803-03,SWP-ACS-803-04,SWP-ACS-803-05
SWP-ACS-803-20,SWP-ACS-803-22,SWP-ACS-803-23,SWP-ACS-803-24,SWP-ACS-803-25
SWP-ACS-803-40,SWP-ACS-803-42,SWP-ACS-803-43,SWP-ACS-803-44,SWP-ACS-803-45
SWP-ACS-803-80,SWP-ACS-803-82,SWP-ACS-803-83,SWP-ACS-803-84,SWP-ACS-803-85
SWP-ACS-901-00,SWP-ACS-901-02,SWP-ACS-901-03,SWP-ACS-901-04,SWP-ACS-901-05
SWP-ACS-901-20,SWP-ACS-901-22,SWP-ACS-901-23,SWP-ACS-901-24,SWP-ACS-901-25
SWP-ACS-901-40,SWP-ACS-901-42,SWP-ACS-901-43,SWP-ACS-901-44,SWP-ACS-901-45
SWP-ACS-901-80,SWP-ACS-901-82,SWP-ACS-901-83,SWP-ACS-901-84,SWP-ACS-901-85
SWP-ACS-903-00,SWP-ACS-903-02,SWP-ACS-903-03,SWP-ACS-903-04,SWP-ACS-903-05
SWP-ACS-903-20,SWP-ACS-903-22,SWP-ACS-903-23,SWP-ACS-903-24,SWP-ACS-903-25
SWP-ACS-903-40,SWP-ACS-903-42,SWP-ACS-903-43,SWP-ACS-903-44,SWP-ACS-903-45
SWP-ACS-903-80,SWP-ACS-903-82,SWP-ACS-903-83,SWP-ACS-903-84,SWP-ACS-903-85
SWP-COSC-401-00,SWP-COSC-401-02,SWP-COSC-401-03,SWP-COSC-401-04,SWP-COSC-401-05
SWP-COSC-401-20,SWP-COSC-401-22,SWP-COSC-401-23,SWP-COSC-401-24,SWP-COSC-401-25
SWP-COSC-401-40,SWP-COSC-401-42,SWP-COSC-401-43,SWP-COSC-401-44,SWP-COSC-401-45
SWP-COSC-401-80,SWP-COSC-401-82,SWP-COSC-401-83,SWP-COSC-401-84,SWP-COSC-401-85
SWP-COSC-403-00,SWP-COSC-403-02,SWP-COSC-403-03,SWP-COSC-403-04,SWP-COSC-403-05
SWP-COSC-403-20,SWP-COSC-403-22,SWP-COSC-403-23,SWP-COSC-403-24,SWP-COSC-403-25
SWP-COSC-403-40,SWP-COSC-403-42,SWP-COSC-403-43,SWP-COSC-403-44,SWP-COSC-403-45
SWP-COSC-403-80,SWP-COSC-403-82,SWP-COSC-403-83,SWP-COSC-403-84,SWP-COSC-403-85
SWP-COSC-801-00,SWP-COSC-801-02,SWP-COSC-801-03,SWP-COSC-801-04,SWP-COSC-801-05
SWP-COSC-801-20,SWP-COSC-801-22,SWP-COSC-801-23,SWP-COSC-801-24,SWP-COSC-801-25
SWP-COSC-801-40,SWP-COSC-801-42,SWP-COSC-801-43,SWP-COSC-801-44,SWP-COSC-801-45
SWP-COSC-801-80,SWP-COSC-801-82,SWP-COSC-801-83,SWP-COSC-801-84,SWP-COSC-801-85
SWP-COSC-803-00,SWP-COSC-803-02,SWP-COSC-803-03,SWP-COSC-803-04,SWP-COSC-803-05
SWP-COSC-803-20,SWP-COSC-803-22,SWP-COSC-803-23,SWP-COSC-803-24,SWP-COSC-803-25
SWP-COSC-803-40,SWP-COSC-803-42,SWP-COSC-803-43,SWP-COSC-803-44,SWP-COSC-803-45
SWP-COSC-803-80,SWP-COSC-803-82,SWP-COSC-803-83,SWP-COSC-803-84,SWP-COSC-803-85
SWP-COSC-901-00,SWP-COSC-901-02,SWP-COSC-901-03,SWP-COSC-901-04,SWP-COSC-901-05
SWP-COSC-901-20,SWP-COSC-901-22,SWP-COSC-901-23,SWP-COSC-901-24,SWP-COSC-901-25
SWP-COSC-901-40,SWP-COSC-901-42,SWP-COSC-901-43,SWP-COSC-901-44,SWP-COSC-901-45
SWP-COSC-901-80,SWP-COSC-901-82,SWP-COSC-901-83,SWP-COSC-901-84,SWP-COSC-901-85
SWP-COSC-903-00,SWP-COSC-903-02,SWP-COSC-903-03,SWP-COSC-903-04,SWP-COSC-903-05
SWP-COSC-903-20,SWP-COSC-903-22,SWP-COSC-903-23,SWP-COSC-903-24,SWP-COSC-903-25
SWP-COSC-903-40,SWP-COSC-903-42,SWP-COSC-903-43,SWP-COSC-903-44,SWP-COSC-903-45
SWP-COSC-903-80,SWP-COSC-903-82,SWP-COSC-903-83,SWP-COSC-903-84,SWP-COSC-903-85
SWP-COSS-401-00,SWP-COSS-401-02,SWP-COSS-401-03,SWP-COSS-401-04,SWP-COSS-401-05
SWP-COSS-401-20,SWP-COSS-401-22,SWP-COSS-401-23,SWP-COSS-401-24,SWP-COSS-401-25
SWP-COSS-401-40,SWP-COSS-401-42,SWP-COSS-401-43,SWP-COSS-401-44,SWP-COSS-401-45
SWP-COSS-401-80,SWP-COSS-401-82,SWP-COSS-401-83,SWP-COSS-401-84,SWP-COSS-401-85
SWP-COSS-403-00,SWP-COSS-403-02,SWP-COSS-403-03,SWP-COSS-403-04,SWP-COSS-403-05
SWP-COSS-403-20,SWP-COSS-403-22,SWP-COSS-403-23,SWP-COSS-403-24,SWP-COSS-403-25
SWP-COSS-403-40,SWP-COSS-403-42,SWP-COSS-403-43,SWP-COSS-403-44,SWP-COSS-403-45
SWP-COSS-403-80,SWP-COSS-403-82,SWP-COSS-403-83,SWP-COSS-403-84,SWP-COSS-403-85
SWP-COSS-801-00,SWP-COSS-801-02,SWP-COSS-801-03,SWP-COSS-801-04,SWP-COSS-801-05
SWP-COSS-801-20,SWP-COSS-801-22,SWP-COSS-801-23,SWP-COSS-801-24,SWP-COSS-801-25
SWP-COSS-801-40,SWP-COSS-801-42,SWP-COSS-801-43,SWP-COSS-801-44,SWP-COSS-801-45
SWP-COSS-801-80,SWP-COSS-801-82,SWP-COSS-801-83,SWP-COSS-801-84,SWP-COSS-801-85
SWP-COSS-803-00,SWP-COSS-803-02,SWP-COSS-803-03,SWP-COSS-803-04,SWP-COSS-803-05
SWP-COSS-803-20,SWP-COSS-803-22,SWP-COSS-803-23,SWP-COSS-803-24,SWP-COSS-803-25
SWP-COSS-803-40,SWP-COSS-803-42,SWP-COSS-803-43,SWP-COSS-803-44,SWP-COSS-803-45
SWP-COSS-803-80,SWP-COSS-803-82,SWP-COSS-803-83,SWP-COSS-803-84,SWP-COSS-803-85
SWP-COSS-901-00,SWP-COSS-901-02,SWP-COSS-901-03,SWP-COSS-901-04,SWP-COSS-901-05
SWP-COSS-901-20,SWP-COSS-901-22,SWP-COSS-901-23,SWP-COSS-901-24,SWP-COSS-901-25
SWP-COSS-901-40,SWP-COSS-901-42,SWP-COSS-901-43,SWP-COSS-901-44,SWP-COSS-901-45
SWP-COSS-901-80,SWP-COSS-901-82,SWP-COSS-901-83,SWP-COSS-901-84,SWP-COSS-901-85
SWP-COSS-903-00,SWP-COSS-903-02,SWP-COSS-903-03,SWP-COSS-903-04,SWP-COSS-903-05
SWP-COSS-903-20,SWP-COSS-903-22,SWP-COSS-903-23,SWP-COSS-903-24,SWP-COSS-903-25
SWP-COSS-903-40,SWP-COSS-903-42,SWP-COSS-903-43,SWP-COSS-903-44,SWP-COSS-903-45
SWP-COSS-903-80,SWP-COSS-903-82,SWP-COSS-903-83,SWP-COSS-903-84,SWP-COSS-903-85
SWP-HZC-401-00,SWP-HZC-401-02,SWP-HZC-401-03,SWP-HZC-401-04,SWP-HZC-401-05
SWP-HZC-401-20,SWP-HZC-401-22,SWP-HZC-401-23,SWP-HZC-401-24,SWP-HZC-401-25
SWP-HZC-401-40,SWP-HZC-401-42,SWP-HZC-401-43,SWP-HZC-401-44,SWP-HZC-401-45
SWP-HZC-401-80,SWP-HZC-401-82,SWP-HZC-401-83,SWP-HZC-401-84,SWP-HZC-401-85
SWP-HZC-403-00,SWP-HZC-403-02,SWP-HZC-403-03,SWP-HZC-403-04,SWP-HZC-403-05
SWP-HZC-403-20,SWP-HZC-403-22,SWP-HZC-403-23,SWP-HZC-403-24,SWP-HZC-403-25
SWP-HZC-403-40,SWP-HZC-403-42,SWP-HZC-403-43,SWP-HZC-403-44,SWP-HZC-403-45
SWP-HZC-403-80,SWP-HZC-403-82,SWP-HZC-403-83,SWP-HZC-403-84,SWP-HZC-403-85
SWP-HZC-801-00,SWP-HZC-801-02,SWP-HZC-801-03,SWP-HZC-801-04,SWP-HZC-801-05
SWP-HZC-801-20,SWP-HZC-801-22,SWP-HZC-801-23,SWP-HZC-801-24,SWP-HZC-801-25
SWP-HZC-801-40,SWP-HZC-801-42,SWP-HZC-801-43,SWP-HZC-801-44,SWP-HZC-801-45
SWP-HZC-801-80,SWP-HZC-801-82,SWP-HZC-801-83,SWP-HZC-801-84,SWP-HZC-801-85
SWP-HZC-803-00,SWP-HZC-803-02,SWP-HZC-803-03,SWP-HZC-803-04,SWP-HZC-803-05
SWP-HZC-803-20,SWP-HZC-803-22,SWP-HZC-803-23,SWP-HZC-803-24,SWP-HZC-803-25
SWP-HZC-803-40,SWP-HZC-803-42,SWP-HZC-803-43,SWP-HZC-803-44,SWP-HZC-803-45
SWP-HZC-803-80,SWP-HZC-803-82,SWP-HZC-803-83,SWP-HZC-803-84,SWP-HZC-803-85
SWP-HZC-901-00,SWP-HZC-901-02,SWP-HZC-901-03,SWP-HZC-901-04,SWP-HZC-901-05
SWP-HZC-901-20,SWP-HZC-901-22,SWP-HZC-901-23,SWP-HZC-901-24,SWP-HZC-901-25
SWP-HZC-901-40,SWP-HZC-901-42,SWP-HZC-901-43,SWP-HZC-901-44,SWP-HZC-901-45
SWP-HZC-901-80,SWP-HZC-901-82,SWP-HZC-901-83,SWP-HZC-901-84,SWP-HZC-901-85
SWP-HZC-903-00,SWP-HZC-903-02,SWP-HZC-903-03,SWP-HZC-903-04,SWP-HZC-903-05
SWP-HZC-903-20,SWP-HZC-903-22,SWP-HZC-903-23,SWP-HZC-903-24,SWP-HZC-903-25
SWP-HZC-903-40,SWP-HZC-903-42,SWP-HZC-903-43,SWP-HZC-903-44,SWP-HZC-903-45
SWP-HZC-903-80,SWP-HZC-903-82,SWP-HZC-903-83,SWP-HZC-903-84,SWP-HZC-903-85
SWP-HZS-401-00,SWP-HZS-401-02,SWP-HZS-401-03,SWP-HZS-401-04,SWP-HZS-401-05
SWP-HZS-401-20,SWP-HZS-401-22,SWP-HZS-401-23,SWP-HZS-401-24,SWP-HZS-401-25
SWP-HZS-401-40,SWP-HZS-401-42,SWP-HZS-401-43,SWP-HZS-401-44,SWP-HZS-401-45
SWP-HZS-401-80,SWP-HZS-401-82,SWP-HZS-401-83,SWP-HZS-401-84,SWP-HZS-401-85
SWP-HZS-403-00,SWP-HZS-403-02,SWP-HZS-403-03,SWP-HZS-403-04,SWP-HZS-403-05
SWP-HZS-403-20,SWP-HZS-403-22,SWP-HZS-403-23,SWP-HZS-403-24,SWP-HZS-403-25
SWP-HZS-403-40,SWP-HZS-403-42,SWP-HZS-403-43,SWP-HZS-403-44,SWP-HZS-403-45
SWP-HZS-403-80,SWP-HZS-403-82,SWP-HZS-403-83,SWP-HZS-403-84,SWP-HZS-403-85
SWP-HZS-801-00,SWP-HZS-801-02,SWP-HZS-801-03,SWP-HZS-801-04,SWP-HZS-801-05
SWP-HZS-801-20,SWP-HZS-801-22,SWP-HZS-801-23,SWP-HZS-801-24,SWP-HZS-801-25
SWP-HZS-801-40,SWP-HZS-801-42,SWP-HZS-801-43,SWP-HZS-801-44,SWP-HZS-801-45
SWP-HZS-801-80,SWP-HZS-801-82,SWP-HZS-801-83,SWP-HZS-801-84,SWP-HZS-801-85
SWP-HZS-803-00,SWP-HZS-803-02,SWP-HZS-803-03,SWP-HZS-803-04,SWP-HZS-803-05
SWP-HZS-803-20,SWP-HZS-803-22,SWP-HZS-803-23,SWP-HZS-803-24,SWP-HZS-803-25
SWP-HZS-803-40,SWP-HZS-803-42,SWP-HZS-803-43,SWP-HZS-803-44,SWP-HZS-803-45
SWP-HZS-803-80,SWP-HZS-803-82,SWP-HZS-803-83,SWP-HZS-803-84,SWP-HZS-803-85
SWP-HZS-901-00,SWP-HZS-901-02,SWP-HZS-901-03,SWP-HZS-901-04,SWP-HZS-901-05
SWP-HZS-901-20,SWP-HZS-901-22,SWP-HZS-901-23,SWP-HZS-901-24,SWP-HZS-901-25
SWP-HZS-901-40,SWP-HZS-901-42,SWP-HZS-901-43,SWP-HZS-901-44,SWP-HZS-901-45
SWP-HZS-901-80,SWP-HZS-901-82,SWP-HZS-901-83,SWP-HZS-901-84,SWP-HZS-901-85
SWP-HZS-903-00,SWP-HZS-903-02,SWP-HZS-903-03,SWP-HZS-903-04,SWP-HZS-903-05
SWP-HZS-903-20,SWP-HZS-903-22,SWP-HZS-903-23,SWP-HZS-903-24,SWP-HZS-903-25
SWP-HZS-903-40,SWP-HZS-903-42,SWP-HZS-903-43,SWP-HZS-903-44,SWP-HZS-903-45
SWP-HZS-903-80,SWP-HZS-903-82,SWP-HZS-903-83,SWP-HZS-903-84,SWP-HZS-903-85
SWP-DCC-401-00,SWP-DCC-401-02,SWP-DCC-401-03,SWP-DCC-401-04,SWP-DCC-401-05
SWP-DCC-401-20,SWP-DCC-401-22,SWP-DCC-401-23,SWP-DCC-401-24,SWP-DCC-401-25
SWP-DCC-401-40,SWP-DCC-401-42,SWP-DCC-401-43,SWP-DCC-401-44,SWP-DCC-401-45
SWP-DCC-401-80,SWP-DCC-401-82,SWP-DCC-401-83,SWP-DCC-401-84,SWP-DCC-401-85
SWP-DCC-403-00,SWP-DCC-403-02,SWP-DCC-403-03,SWP-DCC-403-04,SWP-DCC-403-05
SWP-DCC-403-20,SWP-DCC-403-22,SWP-DCC-403-23,SWP-DCC-403-24,SWP-DCC-403-25
SWP-DCC-403-40,SWP-DCC-403-42,SWP-DCC-403-43,SWP-DCC-403-44,SWP-DCC-403-45
SWP-DCC-403-80,SWP-DCC-403-82,SWP-DCC-403-83,SWP-DCC-403-84,SWP-DCC-403-85
SWP-DCC-801-00,SWP-DCC-801-02,SWP-DCC-801-03,SWP-DCC-801-04,SWP-DCC-801-05
SWP-DCC-801-20,SWP-DCC-801-22,SWP-DCC-801-23,SWP-DCC-801-24,SWP-DCC-801-25
SWP-DCC-801-40,SWP-DCC-801-42,SWP-DCC-801-43,SWP-DCC-801-44,SWP-DCC-801-45
SWP-DCC-801-80,SWP-DCC-801-82,SWP-DCC-801-83,SWP-DCC-801-84,SWP-DCC-801-85
SWP-DCC-803-00,SWP-DCC-803-02,SWP-DCC-803-03,SWP-DCC-803-04,SWP-DCC-803-05
SWP-DCC-803-20,SWP-DCC-803-22,SWP-DCC-803-23,SWP-DCC-803-24,SWP-DCC-803-25
SWP-DCC-803-40,SWP-DCC-803-42,SWP-DCC-803-43,SWP-DCC-803-44,SWP-DCC-803-45
SWP-DCC-803-80,SWP-DCC-803-82,SWP-DCC-803-83,SWP-DCC-803-84,SWP-DCC-803-85
SWP-DCC-901-00,SWP-DCC-901-02,SWP-DCC-901-03,SWP-DCC-901-04,SWP-DCC-901-05
SWP-DCC-901-20,SWP-DCC-901-22,SWP-DCC-901-23,SWP-DCC-901-24,SWP-DCC-901-25
SWP-DCC-901-40,SWP-DCC-901-42,SWP-DCC-901-43,SWP-DCC-901-44,SWP-DCC-901-45
SWP-DCC-901-80,SWP-DCC-901-82,SWP-DCC-901-83,SWP-DCC-901-84,SWP-DCC-901-85
SWP-DCC-903-00,SWP-DCC-903-02,SWP-DCC-903-03,SWP-DCC-903-04,SWP-DCC-903-05
SWP-DCC-903-20,SWP-DCC-903-22,SWP-DCC-903-23,SWP-DCC-903-24,SWP-DCC-903-25
SWP-DCC-903-40,SWP-DCC-903-42,SWP-DCC-903-43,SWP-DCC-903-44,SWP-DCC-903-45
SWP-DCC-903-80,SWP-DCC-903-82,SWP-DCC-903-83,SWP-DCC-903-84,SWP-DCC-903-85
SWP-DCS-401-00,SWP-DCS-401-02,SWP-DCS-401-03,SWP-DCS-401-04,SWP-DCS-401-05
SWP-DCS-401-20,SWP-DCS-401-22,SWP-DCS-401-23,SWP-DCS-401-24,SWP-DCS-401-25
SWP-DCS-401-40,SWP-DCS-401-42,SWP-DCS-401-43,SWP-DCS-401-44,SWP-DCS-401-45
SWP-DCS-401-80,SWP-DCS-401-82,SWP-DCS-401-83,SWP-DCS-401-84,SWP-DCS-401-85
SWP-DCS-403-00,SWP-DCS-403-02,SWP-DCS-403-03,SWP-DCS-403-04,SWP-DCS-403-05
SWP-DCS-403-20,SWP-DCS-403-22,SWP-DCS-403-23,SWP-DCS-403-24,SWP-DCS-403-25
SWP-DCS-403-40,SWP-DCS-403-42,SWP-DCS-403-43,SWP-DCS-403-44,SWP-DCS-403-45
SWP-DCS-403-80,SWP-DCS-403-82,SWP-DCS-403-83,SWP-DCS-403-84,SWP-DCS-403-85
SWP-DCS-801-00,SWP-DCS-801-02,SWP-DCS-801-03,SWP-DCS-801-04,SWP-DCS-801-05
SWP-DCS-801-20,SWP-DCS-801-22,SWP-DCS-801-23,SWP-DCS-801-24,SWP-DCS-801-25
SWP-DCS-801-40,SWP-DCS-801-42,SWP-DCS-801-43,SWP-DCS-801-44,SWP-DCS-801-45
SWP-DCS-801-80,SWP-DCS-801-82,SWP-DCS-801-83,SWP-DCS-801-84,SWP-DCS-801-85
SWP-DCS-803-00,SWP-DCS-803-02,SWP-DCS-803-03,SWP-DCS-803-04,SWP-DCS-803-05
SWP-DCS-803-20,SWP-DCS-803-22,SWP-DCS-803-23,SWP-DCS-803-24,SWP-DCS-803-25
SWP-DCS-803-40,SWP-DCS-803-42,SWP-DCS-803-43,SWP-DCS-803-44,SWP-DCS-803-45
SWP-DCS-803-80,SWP-DCS-803-82,SWP-DCS-803-83,SWP-DCS-803-84,SWP-DCS-803-85
SWP-DCS-901-00,SWP-DCS-901-02,SWP-DCS-901-03,SWP-DCS-901-04,SWP-DCS-901-05
SWP-DCS-901-20,SWP-DCS-901-22,SWP-DCS-901-23,SWP-DCS-901-24,SWP-DCS-901-25
SWP-DCS-901-40,SWP-DCS-901-42,SWP-DCS-901-43,SWP-DCS-901-44,SWP-DCS-901-45
SWP-DCS-901-80,SWP-DCS-901-82,SWP-DCS-901-83,SWP-DCS-901-84,SWP-DCS-901-85
SWP-DCS-903-00,SWP-DCS-903-02,SWP-DCS-903-03,SWP-DCS-903-04,SWP-DCS-903-05
SWP-DCS-903-20,SWP-DCS-903-22,SWP-DCS-903-23,SWP-DCS-903-24,SWP-DCS-903-25
SWP-DCS-903-40,SWP-DCS-903-42,SWP-DCS-903-43,SWP-DCS-903-44,SWP-DCS-903-45
SWP-DCS-903-80,SWP-DCS-903-82,SWP-DCS-903-83,SWP-DCS-903-84,SWP-DCS-903-85
SWP-WS-903-80,SWP-WS-903-82,SWP-WS-903-83,SWP-WS-903-84,SWP-WS-903-85
