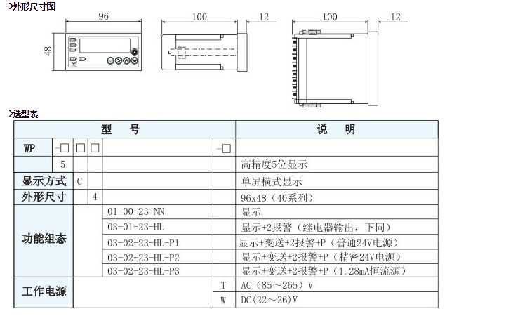
WP-5C401-00-23-NN-T,WP-5C401-00-23-NN-W,高精度智能数字显示控制仪
WP-5C403-01-23-HL-T,WP-5C403-01-23-HL-W
WP-5C403-02-23-HL-P1-T,WP-5C403-02-23-HL-P1-W
WP-5C403-02-23-HL-P2-T,WP-5C403-02-23-HL-P2-W
WP-5C403-02-23-HL-P3-T,WP-5C403-02-23-HL-P3-W
5位高精度智能数字显示控制仪拥有24位A/D转换器;具备万分之五的精度和十万分之一的显示分辨率;每秒1次到20次的可设置分档测控速度兼顾高分辨力和测控速度的不同应用需求;显示亮度有3档可调节。16段折线功能。具备最大值和最小值记忆功能;3点开关量输入和4个按键可通过单独编程以实现指定功能。
抗干扰设计,抑制现场的继电器、接触器等产生的快速脉冲群干扰和其它电磁干扰,抗干扰能力达到Ⅲ级。
温漂(-10℃~50℃范围内):
·仪表内部基准小于5ppm/℃;
·热电偶、热电阻、直流mV输入都小于10ppm/℃;
·直流电流、直流电压输入小于30ppm/℃;
·如果用户对这2种信号的温漂要求较高,可在订货时提出特殊订制。
输入信号包括:热电阻(Ptl00、Pt1000三线制或四线制,可跳线选择),测温范围为(-200.00~500.00)℃
热电偶 (K、S、E、T) ,分辨力为0.1℃;直流电流;直流电压;直流mV。
>主要技术参数
>>基本技术规格
电 源 ·85V~265VAC
工作环境 ·温度:0~50℃ 湿度≤85% 无凝露
显示范围 ·-19999~99999,小数点位置可设定
显示颜色 ·红色,显示亮度3级可设定
显示分辨力 ·1/100000
输入信号类型 ·电压、电流、热电阻、mV5种,其中
电压 ·(1~5)V DC,0~5V DC可通过设定选择
电流 ·(4~20)mA,0~10mA,0~20mA可通过设定选择
热电阻 ·Ptl000或Ptl00订货时必须注明3线制或4线制通过仪表内部跳线选择
测温范围 ·-(200.00~500.00)℃
热电偶 ·K,S,E,T可通过设定选择,分辨力0.1℃
mV信号 ·30mV,60mV,120mV可通过设定选择
基本误差 ·小于±0.05%F.S±1字
测量分辨力 ·24位A/D转换器
A/D转换速率 :20次/秒
测控速度: 1次/秒、5次/秒、10次/秒、20次/秒4档可选
>>选配件技术规格
报警输出 ·继电器输出:触点容量220V AC,3A(阻性负载)
·OC门输出:电压<30V,电流<50mA(订货时注明)
变送输出 ·光电隔离: (4~20)mA,0~10mA,0~20mA直流电流输出,通过设定选择。
负载能力≤500Ω
(1~5)V,0~5V,0~10V直流电压输出,需订货时注明
·输出分辨力:1/3000,误差<±0.2%FS;
16位变送输出可订货,误差<0.04%FS
外供电源 ·普通电源P1:用于给变送器供电,输出值与标称值的误差<±5%,负载能力≤100mA
·精密恒压源P2:用于给压力、荷重等应变式传感器供电,输出值与标称值的误差<0.1%,负载能力≤40mA
·精密恒流源P3:一般1.28mA,用于给扩散硅压力传感器供电
产品详情
