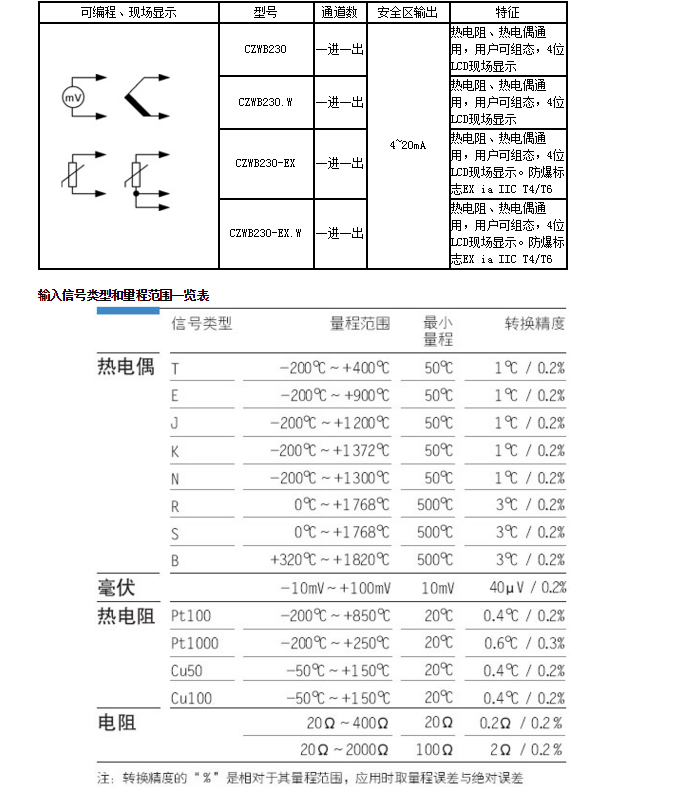
特性 可编程智能化;设定输入信号类型和测量范围 接受2、3、4线制热电阻、热电偶; 及电阻或毫伏信号的输入; 对输入信号进行线性化处理; 传感器故障报警信号可预设置; 具高亮度LED显示器; 具隔爆型供选择; 电气隔离。 技术参数 防爆标志:隔爆:Ex dⅡCT4 /Ex dⅡCT6 组态功能:使用PC(带Commubox FXA191)182PT组态工具 输入信号类型:热电阻、各种热电偶、电阻、毫伏信号 输出信号:模拟量4~20mA 转换精度:≤0.2% 冷端精度:±1℃(热电偶) 最大负载:(V电源 -17)/0.025A (带数显) 限流:≤23mA 响应时间:1s 显示位数:四位(带数显) 隔离电压:1500VAC(输入/输出) 电源电压:17~30VDC (带数显) 温度漂移:0.1%FS/10℃ 环境温度:-10~+70℃
产品选型: 可编程、现场显示隔离温度变送器