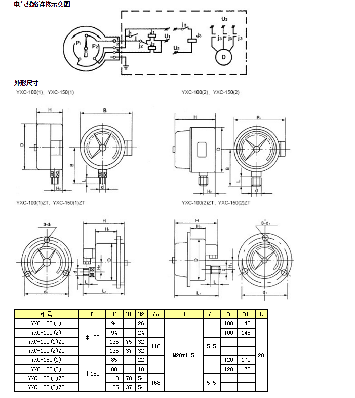
YXC-100(1),YXC-100(2),YXC-100(1)ZT,YXC-100(2)ZT,YXC-150(1),
YXC-150(2),YXC-100(1)ZT,YXC-100(2)ZT,磁助电接点压力表
结构原理
仪表由测量系统、指示装置、磁助电接点装置、外壳、调节装置及接线盒等组成。
当被测压力作用于弹簧管时,其末端产生相应的弹性变形—位移,经传动机构放大后,由指示装置在度盘上指示出来。同时指针带动电接点装置的活动触点与设定指针上的触头(上限或下限)相接触的瞬时,致使控制系统接通或断开电路,以达到自动控制和发信报警的目的。
在电接点装置的电接触信号针上,装有可调节的永久磁钢,可以增加接点吸力,加快接触动作,从而使触点接触可靠,消除电弧,能有效地避免仪表由于工作环境振动或介质压力脉动造成触点的频繁关断。所以该仪表具有动作可靠、使用寿命长、触点开关功率较大等优点。
主要技术指标
标度范围、精确度等级、使用环境温度及抗工作振动
