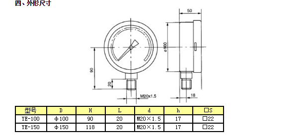
一、概述 膜盒压力表采用膜河作为测量微小压力的敏感元件。测量对铜合金不起腐蚀作用、无爆炸危险气体的微压和负压,广泛应用于锅炉通风、气体管道、燃烧装置等其他类似设备上。 二、结构原理 仪表由测量系统(包括接头膜盒等)、传动机构、指示装置和外壳组成。 当被测介质的压力作用于膜盒时,其自由端产生相应弹性变形一位移,经拨杆带动传动机构放大,由指示装置将被测压力在仪表盘上指示出来。 三、主要技术参数 ◆标度范围、精确度等级及重量