SWP-EY100-001R-A-D1-HL,SWP-EY100-006G,显示压力变送控制器
仪表技术指标:
测量范围 0 -60Mpa
精 度 0.5%或0.2%
防爆类型 普通型(非防爆)
隔爆型(dIIBT4)
外形尺寸 LED显示:LED显示:Φ100×60
显 示 4位LED显示
输出特性 带上下限控制或报警输出
继电器接点容量3A/250VAC
SSR可控硅触发信号0.5A/400V
SCR固态继电器触发信号300Ma/6V
使用环境 相对湿度≤90%,温度-10~50℃
介质温度 -20 ~ +70℃
防护等级 IP65
连接方式 M20×15mm或根据用户要求
通讯功能 RS485或RS232通讯方式(波特率 1200~9600pbs)
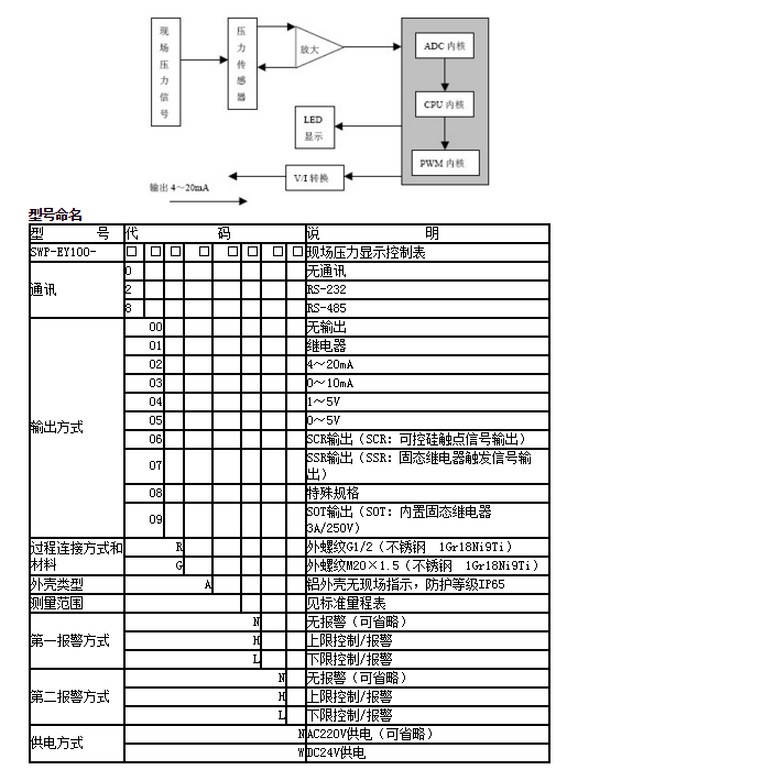
工作原理
仪表通过压力传感器把压力信号变为电信号,再由前置放大器把此电信号放大滤波,送往CPU的A/D转换模块进行模拟量到数字量的变换。最后由CPU进行数据处理并显示及PWM输出。原理框图如下:
SWP-EY100-000R,SWP-EY100-000G,SWP-EY100-001R,SWP-EY100-001G
SWP-EY100-002R,SWP-EY100-002G,SWP-EY100-003R,SWP-EY100-003G
SWP-EY100-004R,SWP-EY100-004G,SWP-EY100-005R,SWP-EY100-005G
SWP-EY100-006R,SWP-EY100-007R,SWP-EY100-007G,SWP-EY100-809R,
SWP-EY100-008R,SWP-EY100-008G,SWP-EY100-009R,SWP-EY100-009G
SWP-EY100-200R,SWP-EY100-200G,SWP-EY100-201R,SWP-EY100-201G
SWP-EY100-202R,SWP-EY100-202G,SWP-EY100-203R,SWP-EY100-203G
SWP-EY100-204R,SWP-EY100-204G,SWP-EY100-205R,SWP-EY100-205G
SWP-EY100-206R,SWP-EY100-206G,SWP-EY100-207R,SWP-EY100-207G
SWP-EY100-208R,SWP-EY100-208G,SWP-EY100-209R,SWP-EY100-209G
SWP-EY100-800R,SWP-EY100-800G,SWP-EY100-801R,SWP-EY100-801G
SWP-EY100-802R,SWP-EY100-802G,SWP-EY100-803R,SWP-EY100-803G
SWP-EY100-804R,SWP-EY100-804G,SWP-EY100-805R,SWP-EY100-805G
SWP-EY100-806R,SWP-EY100-806G,SWP-EY100-807R,SWP-EY100-807G
SWP-EY100-808R,SWP-EY100-808G,