性能参数
测量介质
气体、液体、油等与316L兼容的介质
测量形式及范围
表压(G)---最大(0~60)MPa, 最小(0~10)KPa
绝压(A)---最大(0~60)MPa, 最小 (0~10)KPa
负压(B)--- (-0.1~60)MPa, 最小(-5~5 )KPa
精度等级:
0.25%、 0.5%
过载能力:
量程的2~5倍
长期稳定性:
小于0.3%FS/年
供电电源:
15~36 VDC(标定电压24VDC)
输出信号:
(4~20)mA(二/三线制)、(0~10/20)mA (0~5)V、(1~5)V、(0~10)V
显示方式:
指针表头或LCD液晶显示可选配
校准:
通过调节精密电位器实现对零点、量程调节
工作温度
液体介质:(-20~200)℃ 气体介质:(-20~300)℃ 补偿温度:(-20~300)℃
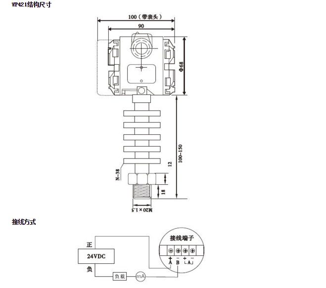
过程连接:
M20×1.5外螺纹或用户注明
隔离膜片材料:
316L 不锈钢
传感器接口材料:
1Cr18Ni9Ti
外壳材料:
合金铝
防护等级
IP65