返回
转换器
首页
>
了解产品
>
仪器仪表 自动化
>
自动化仪表及控制
>
转换器
CZ3011,CZ3111,CZ3012,CZ3013,CZ3113,CZ3019,CZ3083,隔离器、转换器、报警设定器
2017-04-12 12:02
1699
信息概况
价格:
未填
型号:
CZ3011,CZ3111,CZ3012,CZ3013,CZ3113,CZ3019,CZ3083,隔离器、转换器、报警设定器
发货:
3天内
发送询价
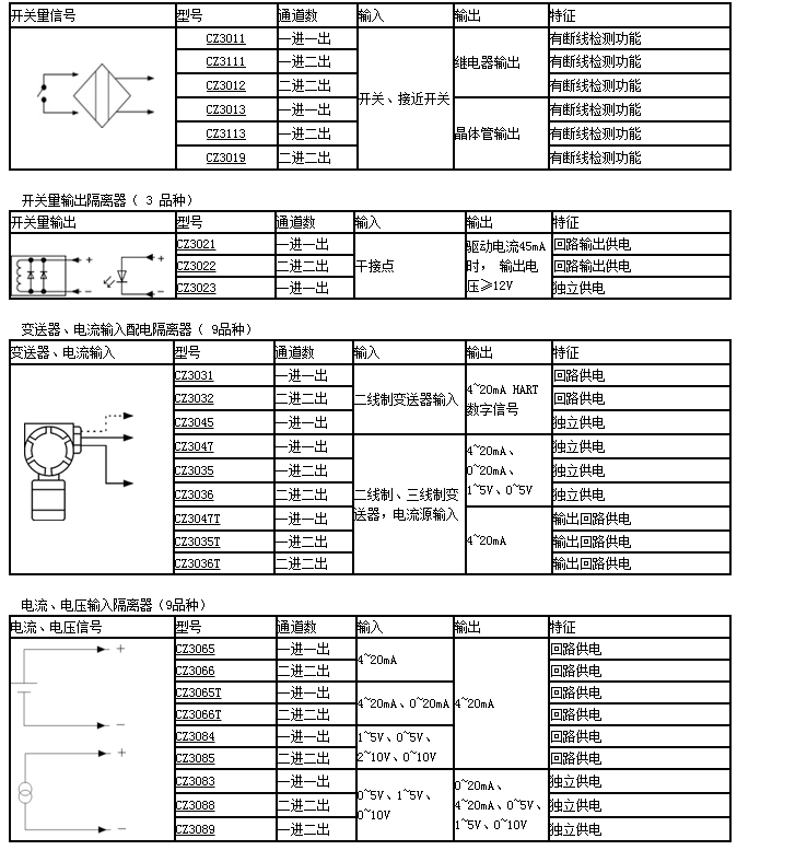
CZ3011,CZ3111,CZ3012,CZ3013,CZ3113,CZ3019,CZ3083,隔离器、转换器、报警设定器
CZ3021,CZ3022,CZ3023,CZ3031,CZ3032,CZ3045,CZ3277
CZ3047,CZ3035,CZ3036,CZ3047T,CZ3035T,CZ3036T,CZ3096
CZ3065,CZ3066,CZ3065T,CZ3066T,CZ3084,CZ3085,CZ3053,
CZ3031,CZ3032,CZ3064D,CZ3067,CZ3038,CZ3086,CZ3087
CZ3071,CZ3079,CZ3073,CZ3076,CZ3076T,CZ3077,CZ3052
CZ3078,CZ3173,CZ3072,CZ3074,CZ3177,CZ3178,CZ3172
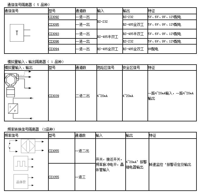
CZ3278,CZ3081,CZ3075,CZ3271,CZ3092,CZ3095,CZ3093
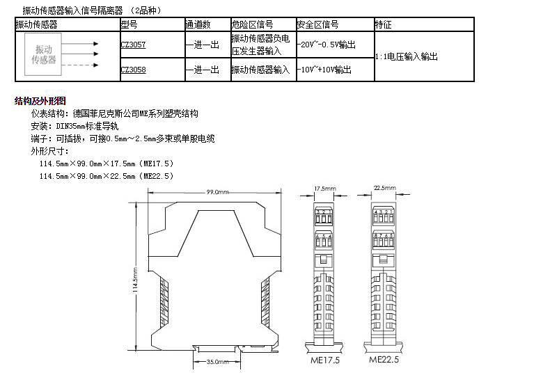
CZ3094,CZ3039,CZ3055,CZ3355,CZ3057,CZ3058,CZ3051
CZ3000系列信号隔离器、转换器、报警设定器是连接于工业现场仪表与控制室之间的电气设备。它通过电源、输入、输出之间的可靠隔离,有效解决工业自动化控制系统现场干扰问题,保证系统的稳定和可靠运行。它是通用型产品,基本覆盖自控系统中各种信号隔离、转换、分配、报警等功能要求。
产品特征
供电:独立供电、回路供电
功能:给现场仪表配电、信号隔离传输、信号变换、信号分配,报警设定输入信号:热电偶、热电阻、电位器、毫伏、伏、毫安、TTL电平、OC门、干接点、接近开关、频率信号、通信信号
输出信号:毫伏、伏、毫安、晶体管、继电器、TTL电平、通信信号
齐全的品种,单路、双路可灵活选择
可对各种现场和控制室信号实现隔离和转换
输出回路供电方式适配更多系统I/O卡
德国菲尼克斯外壳结构件,可插拔接线端子
DIN35标准导轨安装
通用技术参数
电源保护:电源反向保护
隔离电压:1500V,a.c.;1min
电磁兼容性:符合 GB/T 18268 《测量、控制和实验室用的电设备电磁兼容性要求》(等同IEC 61326-1)
静电:空气放电8kV
脉冲群:电源线对地2kV,信号线对地1kV
浪涌:线对地2kV,线对线1kV
射频:10V/m
使用环境:
周围环境中不得有强烈振动、冲击以及对产品元器件有腐蚀性的气体、粉尘存在
连续工作温度:-20℃~+60℃
相对湿度:10%~90%
贮存条件:
温度:-40℃~+80℃
相对湿度:10%~90%
联系方式
姓名:销售员(女士)
电话:
13861877712
地区:江苏-无锡市
地址:
无锡市会北路28-135
0
人关注
0
人点赞
举报
评分:
分
扫一扫访问当前网页
复制链接
二维码
短信
邮件
关闭
同类了解产品
QDA-L3型气电转换器
QD-L2型气电转换器
YT-940C11S,YT-940C11L,YT-940C12S,YT-940C12L,电气转换器(防爆型)
YT-930n11S,YT-930n11L,YT-930n12S,YT-930n12L,电气转换器
AHC32*50,AHC32*100,AHC32*200,AHC40*50,AHC40*100,AHC40*00,AHC50*50,AHC50*100,AHC50*200,AHC50*300,气液转换器
MF710,转换器
取消
发送询价
分享好友
了解产品首页
频道列表
我要评论