返回
安全栅
首页
>
了解产品
>
仪器仪表 自动化
>
压力与隔离及控制
>
安全栅
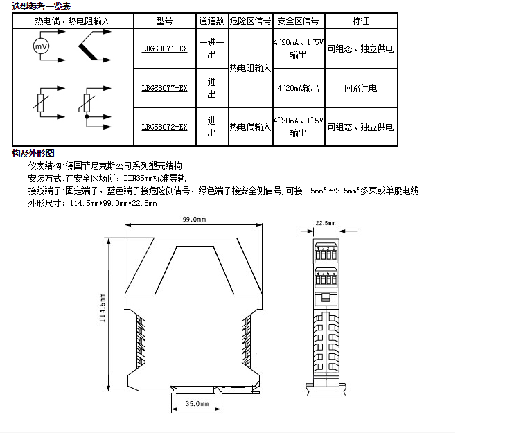
LBGS8071-EX,LBGS8077-EX,LBGS8072-EX,热电偶、热电阻输入浪涌保护隔离栅
2017-04-11 12:08
1157
信息概况
价格:
未填
型号:
LBGS8071-EX,LBGS8077-EX,LBGS8072-EX,热电偶、热电阻输入浪涌保护隔离栅
发货:
3天内
发送询价
LBGS8071-EX,LBGS8077-EX,LBGS8072-EX,热电偶、热电阻输入浪涌保护隔离栅
联系方式
姓名:销售员(女士)
电话:
13861877712
地区:江苏-无锡市
地址:
无锡市会北路28-135
0
人关注
0
人点赞
举报
评分:
分
扫一扫访问当前网页
复制链接
二维码
短信
邮件
关闭
同类了解产品
AL2109-P-1820/40b/49/143,AL2109-P-1820-3403/40b/49/143,AL2109-P-1820/25/49/76a/143,光栅
LGM17Serie,LGM25Serie,LGM50Serie,LGM8Serie,LGS100Serie,LGS17Serie,LGS25Serie,LGS50Serie,LGS8Serie,光栅
SLCS14Series,SLCS30Series,SLCS60Series,SLCS90Series,安全光栅
SLCS14Series,SLCS30Series,SLCS60Series,SLCS90Series,安全光栅
SLCT14Series,SLCT30Series,SLCT60Series,SLCT90Series,安全光栅
PB-SLPCC-01,安全光栅
取消
发送询价
分享好友
了解产品首页
频道列表
我要评论