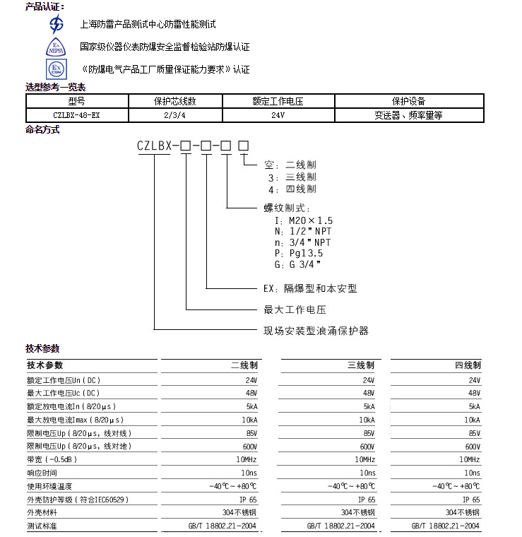
用于保护现场双绞线模拟信号或开关信号线路,可以使用在易燃易爆等危险区域,防止敏感设备(如变送器、控制器、收发设备等)受到雷击、静电放电和瞬态过电压的损坏。 产品特点: * 专为现场安装设计 * 无信号衰减 * 高达10kA(8/20us)的抗浪涌能力 * 隔爆本安防爆认证 * 适用仪表:二、三线制变送器,各种电压,电流,频率量输出的仪表