LDC-300SP1,LDC-350SP3,LDC-1000LP1,,LDC-1800LP2,LDC-2400LP3,插入式电磁流量计
概述
LDC型插入式电磁流量计是在管道式电磁流量计的基础上发展起来的一种新型流量仪表,它再保留管道式电磁流量计优点的基础上,针对管道式电磁流量计在管道安装困难,费用大等缺陷,根据尼库拉磁原理,用电磁方法通过测量流体的平均流速,从而获得流体的题解流量。特别是采用带压开孔、带压安装技术后,使得插入式电磁流量计可在不停水的情况下安装,也可以在铸铁管道,水泥管道上安装,插入式电磁流量计的研制成功,为流体流量的检测提供了一种新手段。
产品特点
插入式电磁流量计在管道流量检测中,安装简单,可不断流,现场可带压开孔,具有绝对的安装优势与价格优势。
适用于水,污水,酸,强碱等导电率在5us/cm以上的液体流量检测,导电率的变化不影响性能的改变,极强地适应流体复杂变化。特别适用于供水管道的流量测量。
流量计无机械可动部件,转换器采用优化设计,结构紧密,容易安装,转换器和传感器具有互换性,可自由变更测量范围(0.5m/s~10m/s)。
流量的检测只与插入深度有关,故该流量计通用性广,互换性强。一种型号就可适用于各种规格管道的流体测量要求。可与任何标准二次仪表连接。
(a)4~20mA电流输出;
(b)可设置脉冲输出;
(c)RS485接口、HART通讯协议、MODBUS协议
量程自动切换功能。流量计在流量范围变化时,量程可自动切换,保证全量程范围内准确测量。
正反流向计算功能。用户可选择正向计量或反向计量(出厂为正向计量)。
上下限报警。用户可根据需要设定上下限瞬时流量,当流量超过上限或下限设定值时蜂鸣器报警或有继电器输出(用户可选)。
空管报警。在工作状态下,当流量计测量管内空管,瞬时流量为零,右上角显示报警。
断电保护,流量计的运算结果和用户设定的参数在断电后不会丢失,EEPROM可保存设定参数和累积值。
小信号切除功能。用户可通过显示面板设置下限电压或下限流量,从而切除干扰小信号。
仪器应用“自动归零”原理,消除电化学干扰信号,零点自稳。
转换器和传感器具有多种防护等级及安装方式,有适用于潜水安装的IP68。
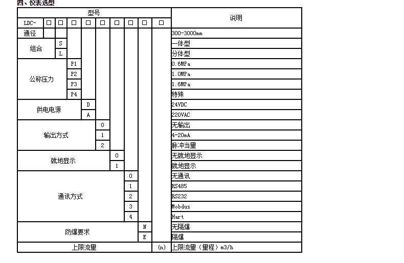
三、技术参数
1、基本参数
|
管径
|
300~3000mm
|
|
流速范围
|
0.1~10m/s
|
|
精度
|
0.5~10m/s:±1.5%FS;0.1~0.5m/s:±2.0%FS
0.1~10m/s:±2.5%FS(FS指40%~100%满量程流量)
|
|
电导率
|
>5μs/cm
|
|
直管段
|
前5DN,后3DN
|
|
介质温度
|
-20℃~/+130℃
|
|
环境温度
|
-20℃~/+60℃
|
|
耐压
|
1.6MPa
|
|
防护等级
|
IP65(一体) IP68(分体)
|
|
电极材质
|
316L不锈钢
|
|
输出信号
|
4-20mA;RS485;HART协议;MODBUS协议
|
|
传感器材质
|
不锈钢
|
|
工作电源
|
220VAC,允差15%或24VDC,纹波≤5%
|
|
功率
|
6.5W
|
|
耐压等级
|
≤1.6MPa
|
LDC-300SP2,LDC-300SP3,LDC-300SP4,LDC-300LP1,LDC-300LP2,LDC-300LP3,LDC-300LP4,LDC-3000SP4
LDC-350SP1,LDC-350SP2,LDC-350SP4,LDC-350LP1,LDC-350LP2,LDC-350LP3,LDC-350LP4,LDC-3000LP1
LDC-400SP1,LDC-400SP2,LDC-400SP3,LDC-400SP4,LDC-400LP1,LDC-400LP2,LDC-400LP3,LDC-400LP4
LDC-450SP1,LDC-450SP2,LDC-450SP3,LDC-450SP4,LDC-450LP1,LDC-450LP2,LDC-450LP3,LDC-450LP4
LDC-500SP1,LDC-500SP2,LDC-500SP3,LDC-500SP4,LDC-500LP1,LDC-500LP2,LDC-500LP3,LDC-500LP4
LDC-600SP1,LDC-600SP2,LDC-600SP3,LDC-600SP4,LDC-600LP1,LDC-600LP2,LDC-600LP3,LDC-600LP4
LDC-700SP1,LDC-700SP2,LDC-700SP3,LDC-700SP4,LDC-700LP1,LDC-700LP2,LDC-700LP3,LDC-700LP4
LDC-800SP1,LDC-800SP2,LDC-800SP3,LDC-800SP4,LDC-800LP1,LDC-800LP2,LDC-800LP3,LDC-800LP4
LDC-900SP1,LDC-900SP2,LDC-900SP3,LDC-900SP4,LDC-900LP1,LDC-900LP2,LDC-900LP3,LDC-900LP4
LDC-1000SP1,LDC-1000SP2,LDC-1000SP3,LDC-1000SP4,LDC-1000LP2,LDC-1000LP3,LDC-1000LP4,LDC-3000LP2
LDC-1200SP1,LDC-1200SP2,LDC-1200SP3,LDC-1200SP4,LDC-1200LP1,LDC-1200LP2,LDC-1200LP3,LDC-1200LP4
LDC-1400SP1,LDC-1400SP2,LDC-1400SP3,LDC-1400SP4,LDC-1400LP1,LDC-1400LP2,LDC-1400LP3,LDC-1400LP4
LDC-1600SP1,LDC-1600SP2,LDC-1600SP3,LDC-1600SP4,LDC-1600LP1,LDC-1600LP2,LDC-1600LP3,LDC-1600LP4
LDC-1800SP1,LDC-1800SP2,LDC-1800SP3,LDC-1800SP4,LDC-1800LP1LDC-1800LP3,LDC-1800LP4,LDC-3000LP3
LDC-2000SP1,LDC-2000SP2,LDC-2000SP3,LDC-2000SP4,LDC-2000LP1,LDC-2000LP2,LDC-2000LP3,LDC-2000LP4
LDC-2200SP1,LDC-2200SP2,LDC-2200SP3,LDC-2200SP4,LDC-2200LP1,LDC-2200LP2,LDC-2200LP3,LDC-2200LP4
LDC-2400SP1,LDC-2400SP2,LDC-2400SP3,LDC-2400SP4,LDC-2400LP1,LDC-2400LP2,LDC-2400LP4,LDC-3000LP4
LDC-2600SP1,LDC-2600SP2,LDC-2600SP3,LDC-2600SP4,LDC-2600LP1,LDC-2600LP2,LDC-2600LP3,LDC-2600LP4
LDC-2800SP1,LDC-2800SP2,LDC-2800SP3,LDC-2800SP4,LDC-2800LP1,LDC-2800LP2,LDC-2800LP3,LDC-2800LP4
LDC-3000SP1,LDC-3000SP2,LDC-3000SP3