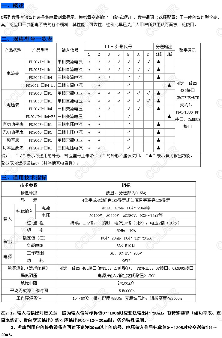
PD204I-DD1,PD204U-DD1,PD204I-3D4,PD204U-3D4,PD204Q-2D1,PD204H-1D1,D数显变送智能表



PD204I-9D1,PD204U-9D1,PD204I-2D4-B3,PD204U-2D4-B3,PD204P-9D1,PD204H-2D1,PD204I-5D1,PD204U-5D1,PD204I-9D4-B3,PD204U-9D4-B3,PD204Q-9D1,PD204H-9D1,PD204I-AD1,PD204U-AD1,PD204I-AD4,PD204U-AD4,PD204P-2D1,PD204H-1D1,PD204I-DD1,PD204U-DD1,PD204I-3D4,PD204U-3D4,PD204Q-2D1