返回
变送器
首页
>
了解产品
>
仪器仪表 自动化
>
压力与隔离及控制
>
变送器
MIK-P3000表压/绝压变送器
2017-03-17 12:18
2696
信息概况
价格:
未填
型号:
MIK-P3000表压/绝压变送器
发货:
3天内
发送询价
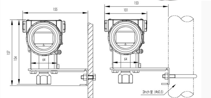
MIK-P3000表压/绝压变送器
产品型号: MIK-P3000
测量范围(未迁移时):最小0-200Pa;最大0-40MPa
量 程 比:最小10:1;最大100:1
环境温度:-40-85℃
介质温度:-50-400℃
温度影响量:±0.04%/10K或±0.08%/10K
准确度等级:0.05/0.075/0.1
长期漂移:0.1%/3年
重量:1.6kg(仅变送器本体)
总线标准:4-20MA HART
1、工业级精度 精准高效
MIK-P3000采用欧洲优质供应商的传感元件测量精度最高可达0.075级,超高的精度极大地保证了现场测量的准确高效
2、全量程覆盖 双保护膜片
量程范围实现0-6KPa至0-40MPa的全覆盖双过载保护膜片设计,单向过压最高可达满量程的1166倍
联系方式
姓名:销售员(女士)
电话:
13861877712
地区:江苏-无锡市
地址:
无锡市会北路28-135
0
人关注
0
人点赞
举报
评分:
分
扫一扫访问当前网页
复制链接
二维码
短信
邮件
关闭
同类了解产品
TA10,一体式温度变送器
TA11型,一体式温度变送器
TP10型,温度变送器
HSLYH-G,HSLYH-A,HSLYH-P,通用压力变送器
HSL-3051,智能型压差变送器
HSLYH1-G,HSLYH1-A,HSLYH1-P,精小型压力变送器
取消
发送询价
分享好友
了解产品首页
频道列表
我要评论