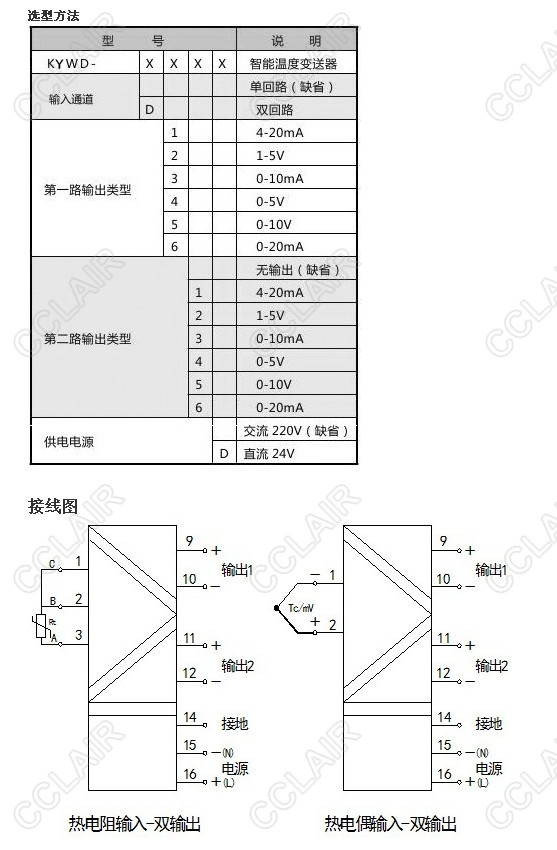
KYWD-11D,KYWD-23D,KYWD-34D,KYWD-45D,KYWD-56D,KYWD-D31D,KYWD-D65D,KYW-WD,智能温度变送器
产品概述
本智能温度变送器采用先进的数字化技术,具备了传统模拟仪表所不具备的多项先进性能,在对高、低频干扰信号的抑制方面均有着优异表现,即使在大功率变频控制系统中依然能够可靠应用,同时,数字化技术的应用彻底克服了传统温度变送器线性差的缺点,内部采用数字化调校、无零点及满度电位器、自动动态校准零点、温度漂移自动补偿等诸多先进技术,并符合IEC61000-4-4:1995中所规定的第四类(恶劣工业现场)环境对产品的抗电磁干扰要求,这一系列技术的应用使产品的稳定性和可靠性得到科学的保证。
产品特点
◆ 全智能、数字化、现场可编程
◆ 16位高精度采集芯片设计
◆ 输入故障状态指示
◆ 22.5mm厚度,便于密集安装
◆ 标准DIN35mm导轨安装
技术参数
◆ 传输精度: ±0.2%F·S (25℃±2℃)
◆ 温度漂移: ≤50ppm/℃ (-20~+60℃)
◆ 冷端补偿: ±1℃电流(预热时间10分钟;热电偶有效)
◆ 引线电阻: ≤20(热电阻有效)
◆ 负载能力: 电流 ≤500Ω;电压 ≥1MΩ
◆ 响应时间: ≤2 S
◆ 介电强度: ≥1500V AC(输入/输出/电源之间,漏电流1mA,测试时间1min)
◆ 电磁兼容: 符合IEC61000-4-4:1995中第三类工业现场对抗电磁干扰的要求
◆ 供电电源:20~30V DC (直流)
95~265V AC (交流)
◆ 功 耗:0.9-1.8W(与型号有关)
◆ 工作温度: -20~+60℃
输入信号
◆ 热电偶: K、E、S、B、J、R、N、T
◆ 热电阻: Pt100、Cu100、Cu50、BA1、BA2、Pt1000
输出信号
4~20mA、0~10mA、0~20mA、1~5V、0~5V、0~10V

KYWD-11D,KYWD-12D,KYWD-13D,KYWD-14D,KYWD-15D,KYWD-16D,
KYWD-21D,KYWD-22D,KYWD-23D,KYWD-24D,KYWD-25D,KYWD-26D,
KYWD-31D,KYWD-32D,KYWD-33D,KYWD-34D,KYWD-35D,KYWD-36D,
KYWD-41D,KYWD-42D,KYWD-43D,KYWD-44D,KYWD-45D,KYWD-46D,
KYWD-51D,KYWD-52D,KYWD-53D,KYWD-54D,KYWD-55D,KYWD-56D,
KYWD-61D,KYWD-62D,KYWD-63D,KYWD-64D,KYWD-65D,KYWD-66D,
KYWD-D11D,KYWD-D12D,KYWD-D13D,KYWD-D14D,KYWD-D15D,KYWD-D16D,
KYWD-D21D,KYWD-D22D,KYWD-D23D,KYWD-D24D,KYWD-D25D,KYWD-D26D,
KYWD-D31D,KYWD-D32D,KYWD-D33D,KYWD-D34D,KYWD-D35D,KYWD-D36D,
KYWD-D41D,KYWD-D42D,KYWD-D43D,KYWD-D44D,KYWD-D45D,KYWD-D46D,
KYWD-D51D,KYWD-D52D,KYWD-D53D,KYWD-D54D,KYWD-D55D,KYWD-D56D,
KYWD-D61D,KYWD-D62D,KYWD-D63D,KYWD-D64D,KYWD-D65D,KYWD-D66D,