返回
显示控制仪
首页
>
了解产品
>
仪器仪表 自动化
>
智能与温度仪表
>
显示控制仪
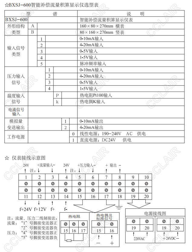
BXSJ-600A,BXSJ-600B,BXSJ-600,智能补偿流量积算显示仪表
2017-03-13 19:21
1173
信息概况
价格:
未填
型号:
BXSJ-600A,BXSJ-600B,BXSJ-600,
发货:
3天内
发送询价
BXSJ-600A,BXSJ-600B,BXSJ-600,智能补偿流量积算显示仪表
联系方式
姓名:销售员(女士)
电话:
13861877712
地区:江苏-无锡市
地址:
无锡市会北路28-135
0
人关注
0
人点赞
举报
评分:
分
扫一扫访问当前网页
复制链接
二维码
短信
邮件
关闭
同类了解产品
EWHTB,教学控制盒EWHTB系列
DST-15100单回路数字显示控制仪
DST-15200双回路数字显示控制仪
DST-15740,DST-15910,DST-15930,DST-15920四回路测量显示控制仪
DST-15710,DST-15720,八/十六回路测量显示控制仪
KR1, KR1-D,KR1-A,四位智能显示表(电流、电压、转速、线速)
取消
发送询价
分享好友
了解产品首页
频道列表
我要评论